Искать по номеру запчасти
Позиция |
Код |
Имя |
Количество |
|
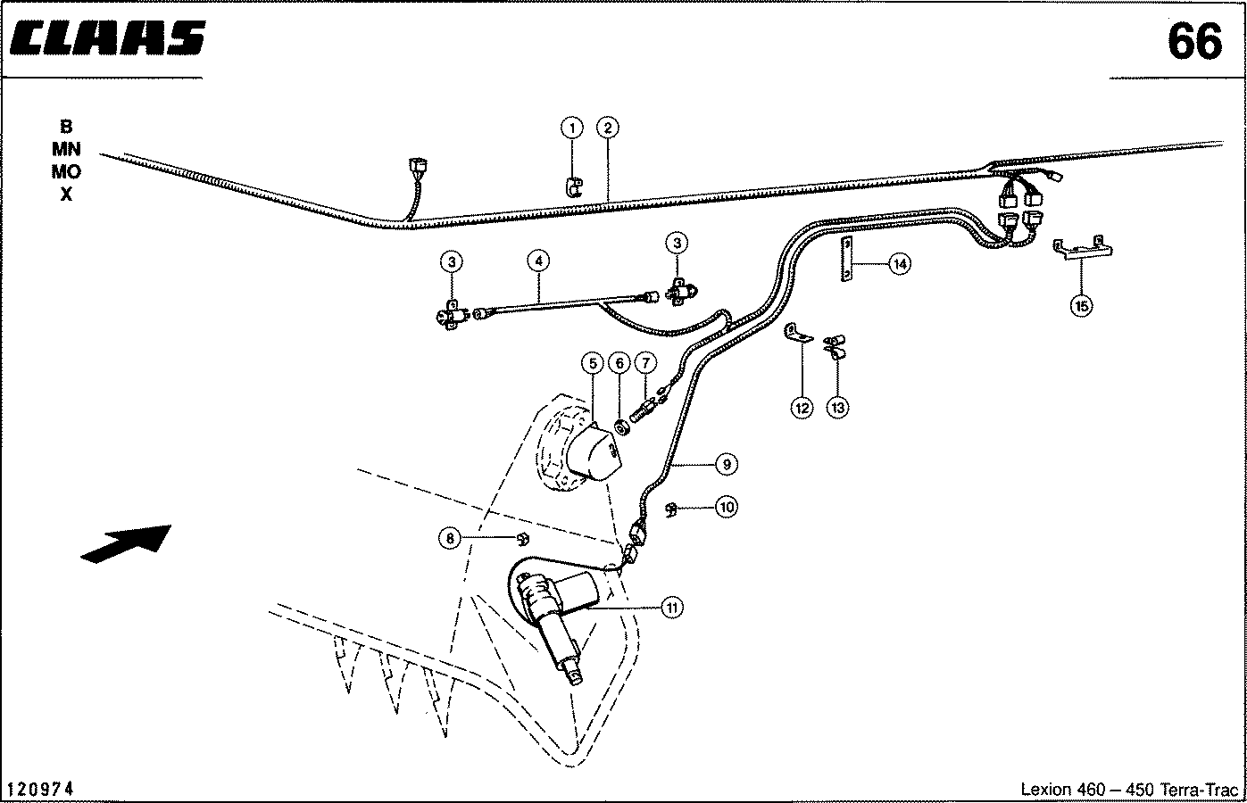
1 |
00131510 |
ХОМУТ КАБЕЛЬНЫЙ |
5 |
|
2 |
00134930 |
КПЛ.ГЛАВН.КАБЕЛЯ |
1 |
|
2 |
00138331 |
MAIN WIR. LOOM LH |
1 |
|
2 |
00135022 |
MAIN WIR. LOOM LH |
1 |
|
3 |
00135101 |
ВЫКЛ.ПРЕДЕЛЬНЫЙ |
2 |
|
4 |
00131120 |
КПЛ. КАБЕЛЕЙ |
1 |
|
5 |
07489520 |
ПАНЕЛЬ |
1 |
|
6 |
07665880 |
ГАЙКА 6-ГР. |
1 |
|
7 |
06768350 |
ДАТЧИК ИНДУКЦИОН. |
1 |
|
8 |
02160300 |
СКОБА КРЕПЕЖНАЯ |
2 |
|
9 |
00132350 |
КПЛ. КАБЕЛЕЙ |
1 |
|
10 |
00131540 |
ХОМУТ КАБЕЛЬНЫЙ |
6 |
|
10 |
00131530 |
ХОМУТ КАБЕЛЬНЫЙ |
4 |
|
11 |
00116120 |
ДВИГАТЕЛЬ |
1 |
|
11 |
00106890 |
ЭЛЕКТРОДВИГАТЕЛЬ |
1 |
|
12 |
06593591 |
УГОЛОК ПРИВИНЧИВ. |
2 |
|
13 |
02154030 |
СКОБА ТРУБНАЯ |
7 |
|
14 |
06704370 |
ФЛАНЕЦ |
1 |
|
15 |
00130190 |
ДЕРЖАТЕЛЬ ШТЕПС. |
1 |
|