Искать по номеру запчасти
Позиция |
Код |
Имя |
Количество |
|
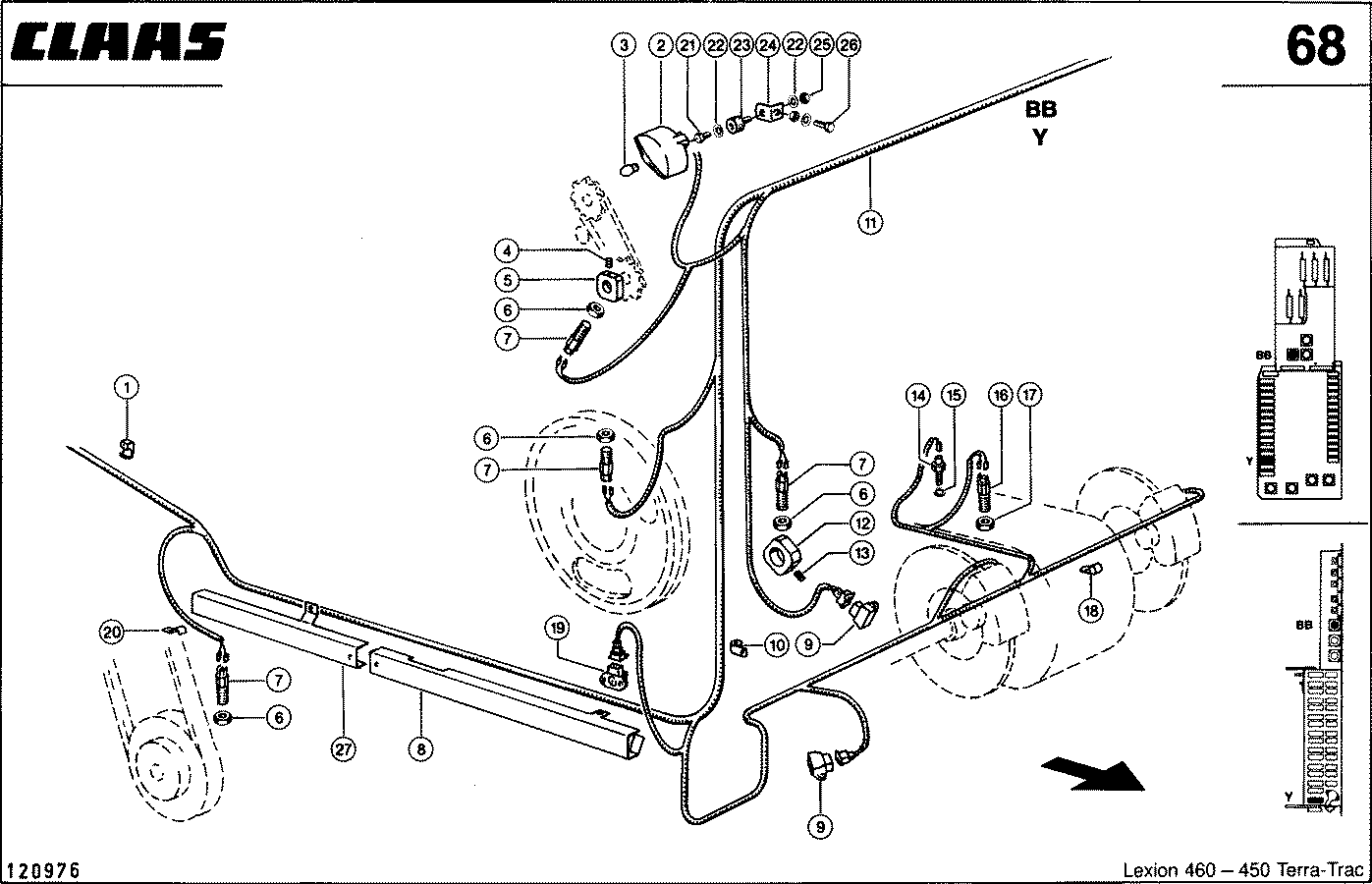
1 |
00131510 |
ХОМУТ КАБЕЛЬНЫЙ |
3 |
|
2 |
00109100 |
ФАРЫ РАБОЧИЕ |
1 |
|
3 |
02335460 |
LAMP |
1 |
|
4 |
02138230 |
ШПИЛЬКА |
1 |
|
5 |
06477621 |
КОЛЕСО С КУЛАЧК. |
1 |
|
6 |
07665880 |
ГАЙКА 6-ГР. |
5 |
|
7 |
06768350 |
ДАТЧИК ИНДУКЦИОН. |
4 |
|
8 |
07345630 |
CABLE END GUIDE |
1 |
|
8 |
07345160 |
CABLE END GUIDE |
1 |
|
9 |
00117800 |
ANGLE SENSOR |
2 |
|
9 |
00111100 |
ПОТЕНЦИОМЕТР |
2 |
|
10 |
02394980 |
СКОБА ТРУБНАЯ |
3 |
|
11 |
00134452 |
КПЛ.ГЛАВН.КАБЕЛЯ |
1 |
|
11 |
00138350 |
MAIN WIR. LOOM RH |
1 |
|
11 |
00136650 |
MAIN WIR. LOOM RH |
1 |
|
11 |
00135030 |
КПЛ.ГЛАВН.КАБЕЛЯ |
1 |
|
12 |
06477600 |
КОЛЕСО С КУЛАЧК. |
1 |
|
13 |
02363250 |
ШПИЛЬКА |
2 |
|
14 |
06694070 |
ПЕРЕКЛЮЧАТЕЛЬ |
1 |
|
15 |
02366870 |
КОЛЬЦО УПЛОТН. |
1 |
|
16 |
06768350 |
ДАТЧИК ИНДУКЦИОН. |
1 |
|
17 |
07665880 |
ГАЙКА 6-ГР. |
1 |
|
18 |
02154030 |
СКОБА ТРУБНАЯ |
5 |
|
19 |
00111100 |
ПОТЕНЦИОМЕТР |
1 |
|
20 |
02348640 |
СКОБА ТРУБНАЯ |
1 |
|
21 |
02424450 |
БОЛТ 6-ГР. |
1 |
|
22 |
02393870 |
ШАЙБА КОНТАКТНАЯ |
2 |
|
23 |
06245920 |
АМОРТИЗАТОР РЕЗ. |
1 |
|
24 |
06864291 |
УГОЛОК |
1 |
|
25 |
02361700 |
ГАЙКА 6-ГР. |
1 |
|
26 |
02374390 |
БОЛТ 6-ГР. |
1 |
|
26 |
02361700 |
ГАЙКА 6-ГР. |
1 |
|
26 |
02393870 |
ШАЙБА КОНТАКТНАЯ |
1 |
|
27 |
07345640 |
CABLE END GUIDE |
1 |
|