Искать по номеру запчасти
Позиция |
Код |
Имя |
Количество |
|
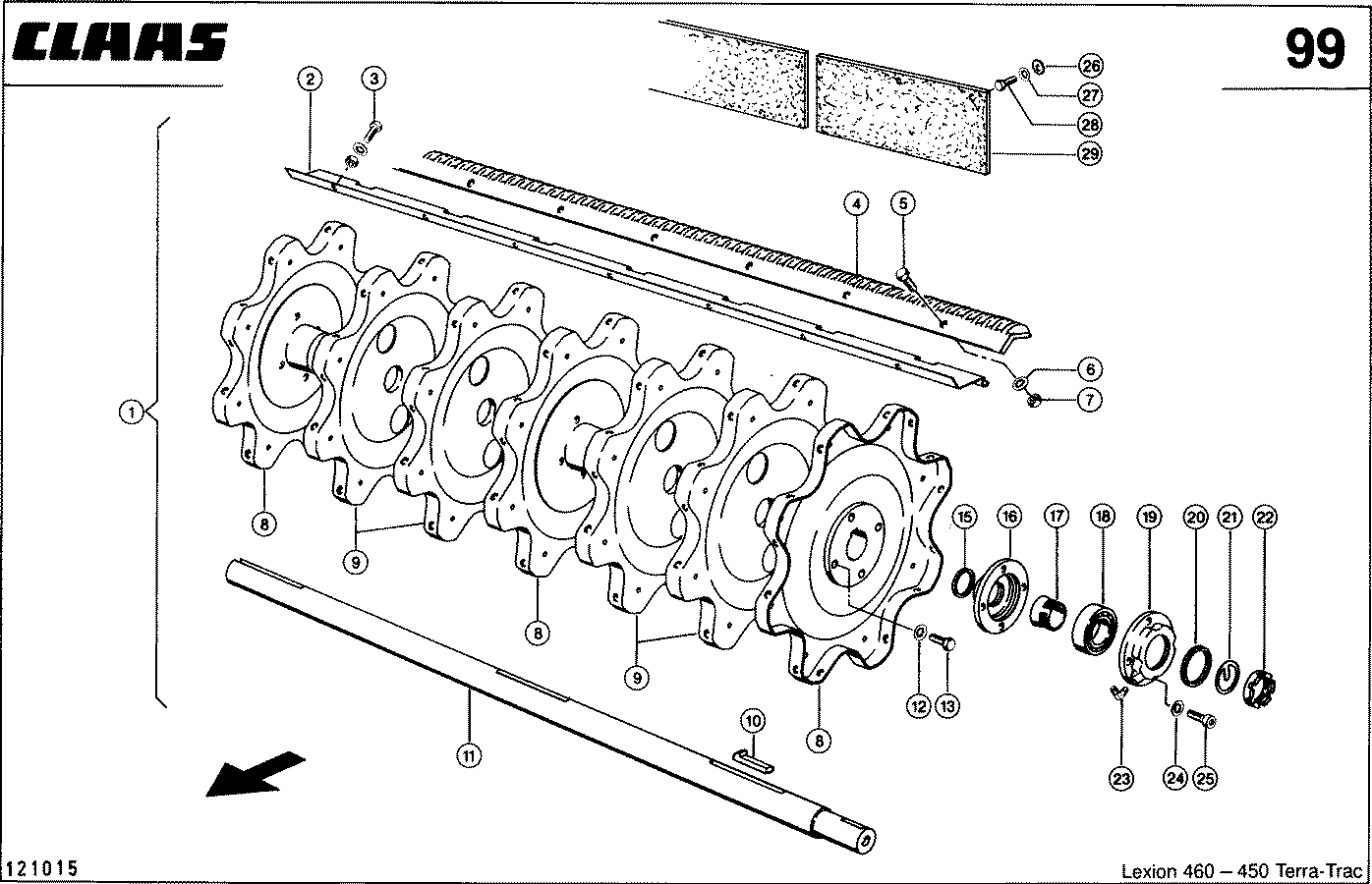
1 |
07356401 |
БАРАБАН МОЛОТИЛЬН |
1 |
|
1 |
07342802 |
БАРАБАН МОЛОТИЛЬН |
1 |
|
2 |
07559960 |
ЩИТОК БАРАБАНА |
8 |
|
2 |
07342890 |
ЩИТОК БАРАБАНА |
8 |
|
2 |
07548550 |
ПЛАНКА ЗАЩИТНАЯ |
4 |
|
3 |
02443870 |
БОЛТ 6-ГР. |
56 |
|
3 |
02374580 |
БОЛТ 6-ГР. |
56 |
|
3 |
02441440 |
ГАЙКА 6-ГР. |
56 |
|
3 |
02361720 |
ГАЙКА 6-ГР. |
56 |
|
3 |
02393890 |
ШАЙБА КОНТАКТНАЯ |
56 |
|
4 |
01817430 |
BEATER BARS SET |
2 |
|
4 |
01817440 |
BEATER BARS SET |
2 |
|
5 |
02334560 |
БОЛТ 6-ГР. |
56 |
|
5 |
02374610 |
БОЛТ 6-ГР. |
56 |
|
6 |
02393890 |
ШАЙБА КОНТАКТНАЯ |
56 |
|
7 |
02333230 |
ГАЙКА СТОПОРНАЯ |
56 |
|
7 |
02382340 |
ГАЙКА СТОПОРНАЯ |
56 |
|
8 |
07342840 |
ДНИЩЕ БАРАБАНА |
3 |
|
9 |
07342820 |
ДНИЩЕ БАРАБАНА |
4 |
|
10 |
02161571 |
ШПОНКА С ГОЛОВКОЙ |
3 |
|
11 |
07342881 |
ВАЛ БАРАБАНА МОЛ. |
1 |
|
12 |
02393900 |
ШАЙБА КОНТАКТНАЯ |
8 |
|
13 |
02373730 |
БОЛТ 6-ГР. |
8 |
|
15 |
01773090 |
ПОЛОСКА ВОЙЛОЧНАЯ |
1 |
|
16 |
06287360 |
ВКЛАДЫШ ПОДШИПН. |
1 |
|
17 |
02358820 |
TAPER LOCK SLEEVE |
1 |
|
18 |
02391230 |
ПОДШИПНИК |
1 |
|
19 |
06873070 |
ВКЛАДЫШ ПОДШИПН. |
1 |
|
20 |
01773090 |
ПОЛОСКА ВОЙЛОЧНАЯ |
1 |
|
21 |
06103380 |
ШАЙБА СТОПОРНАЯ |
1 |
|
22 |
06103591 |
ГАЙКА ШЛИЦЕВАЯ |
1 |
|
23 |
02111840 |
ПАТРУБОК УГЛОВОЙ |
1 |
|
24 |
02428241 |
КОЛЬЦО СТОПОРНОЕ |
4 |
|
25 |
02382431 |
ВИНТ С ЦИЛ.ГОЛ. |
4 |
|
26 |
02368280 |
ШАЙБА |
12 |
|
27 |
02393870 |
ШАЙБА КОНТАКТНАЯ |
12 |
|
28 |
02374420 |
ВИНТ С 6-ГР.ГОЛ. |
12 |
|
29 |
07560110 |
ФАРТУК РЕЗИНОВЫЙ |
4 |
|