Искать по номеру запчасти
Позиция |
Код |
Имя |
Количество |
|
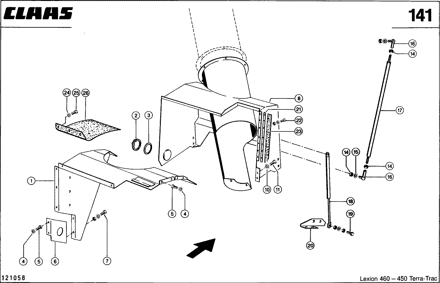
1 |
07359721 |
ЩИТОК |
1 |
|
2 |
02378620 |
КОЛЬЦО СТОПОРНОЕ |
1 |
|
3 |
02127100 |
ШАЙБА |
1 |
|
4 |
02393870 |
ШАЙБА КОНТАКТНАЯ |
15 |
|
5 |
02374390 |
БОЛТ 6-ГР. |
15 |
|
6 |
07359750 |
ПЛАСТИНА ПОДШИПН. |
1 |
|
7 |
02362000 |
БОЛТ 6-ГР. |
2 |
|
7 |
02361700 |
ГАЙКА 6-ГР. |
2 |
|
7 |
02393870 |
ШАЙБА КОНТАКТНАЯ |
2 |
|
8 |
03532140 |
FILLER HEAD |
1 |
|
8 |
07359503 |
FILLER HEAD |
1 |
|
10 |
02393880 |
ШАЙБА КОНТАКТНАЯ |
2 |
|
11 |
02375700 |
БОЛТ 6-ГР. |
2 |
|
14 |
02361710 |
ГАЙКА 6-ГР. |
4 |
|
15 |
02393880 |
ШАЙБА КОНТАКТНАЯ |
2 |
|
16 |
06020650 |
ШАРНИР УГЛОВОЙ |
2 |
|
17 |
07544881 |
РЫЧАГ ПОДВЕСКИ |
1 |
|
18 |
07545032 |
ЭЛЕМЕНТ УПРУГИЙ |
1 |
|
19 |
02362130 |
БОЛТ 6-ГР. |
2 |
|
19 |
02361700 |
ГАЙКА 6-ГР. |
4 |
|
19 |
02393870 |
ШАЙБА КОНТАКТНАЯ |
2 |
|
20 |
07359760 |
УГОЛОК ОПОРНЫЙ |
1 |
|
21 |
03532160 |
ПЛАНКА ЗАЖИМНАЯ |
1 |
|
21 |
06862390 |
ПЛАНКА ЗАЖИМНАЯ |
1 |
|
22 |
02374660 |
БОЛТ 6-ГР. |
6 |
|
22 |
02379830 |
ГАЙКА СТОПОРНАЯ |
6 |
|
22 |
02369112 |
ШАЙБА |
6 |
|
22 |
02380181 |
ЗАКЛЕПКА ГЛУХАЯ |
6 |
|
23 |
03532150 |
ПОЛОСКА УПЛОТН. |
1 |
|
23 |
06735101 |
ПОЛОСКА УПЛОТН. |
1 |
|
24 |
02342230 |
ШАЙБА |
3 |
|
25 |
02424450 |
БОЛТ 6-ГР. |
3 |
|
26 |
07570040 |
ПЛАСТИНА УПЛОТН. |
1 |
|