Искать по номеру запчасти
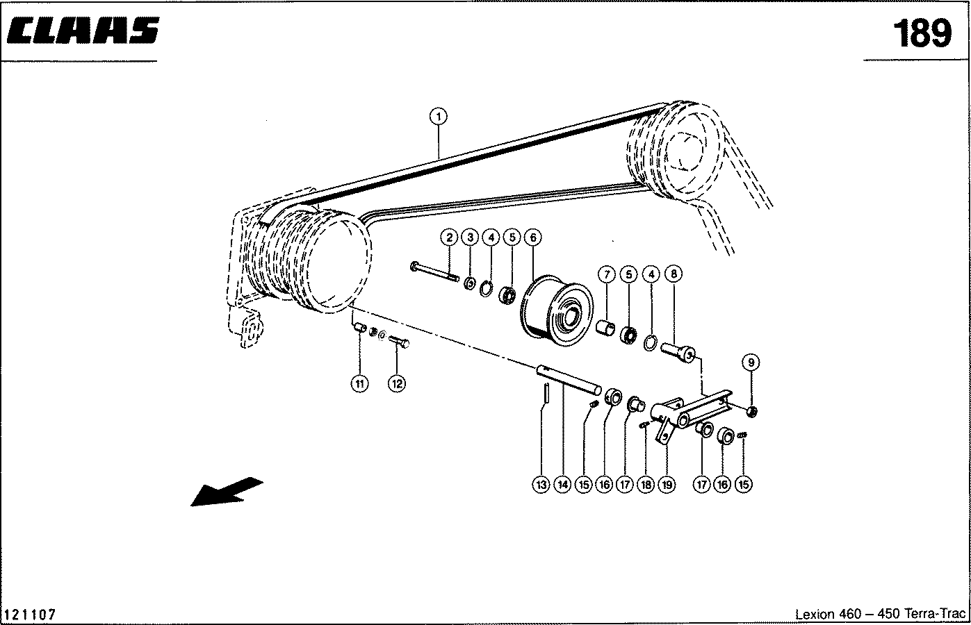
Позиция |
Код |
Имя |
Количество |
|
1 |
00617001 |
РЕМЕНЬ |
1 |
|
2 |
02423951 |
БОЛТ 6-ГР. |
1 |
|
3 |
06290261 |
ШАЙБА РАСПОРНАЯ |
1 |
|
4 |
02351820 |
КОЛЬЦО СТОПОРНОЕ |
2 |
|
5 |
02155170 |
Ш/ПОДШ.РАДИАЛЬНЫЙ |
2 |
|
6 |
06290062 |
РОЛИК НАТЯЖНОЙ |
1 |
|
7 |
06675981 |
ТРУБА РАСПОРНАЯ |
1 |
|
8 |
06675990 |
ВТУЛКА ЦЕВОЧНАЯ |
1 |
|
9 |
02380470 |
ГАЙКА СТОПОРНАЯ |
1 |
|
11 |
08225260 |
ВТУЛКА РАСПОРНАЯ |
1 |
|
11 |
00104130 |
ТРУБКА ДИСТАНЦ. |
1 |
|
12 |
02355341 |
БОЛТ 6-ГР. |
1 |
|
12 |
02361710 |
ГАЙКА 6-ГР. |
1 |
|
12 |
02393880 |
ШАЙБА КОНТАКТНАЯ |
1 |
|
13 |
02356680 |
ШТИФТ РАСПОРНЫЙ |
1 |
|
14 |
06675851 |
ПАЛЕЦ |
1 |
|
15 |
02365520 |
ШПИЛЬКА |
2 |
|
16 |
05003102 |
КОЛЬЦО УСТАНОВ. |
2 |
|
17 |
00085340 |
ВТУЛКА |
2 |
|
18 |
01798380 |
ПРЕСС-МАСЛЕНКА |
1 |
|
19 |
06675951 |
ДЕРЖАТЕЛЬ РОЛИКА |
1 |
|