Искать по номеру запчасти
Позиция |
Код |
Имя |
Количество |
|
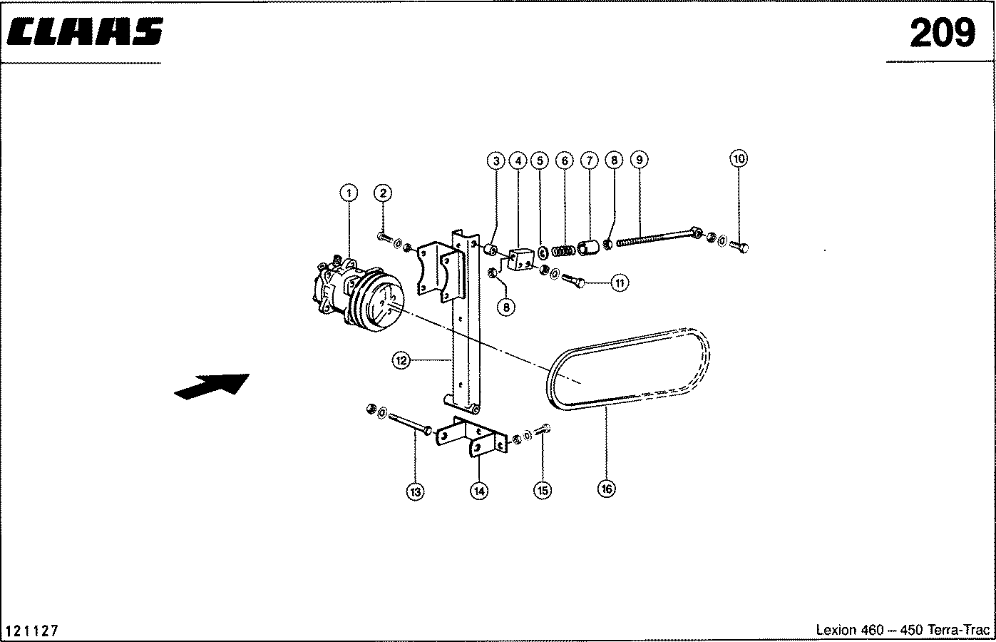
1 |
06259940 |
КОМПРЕССОР |
1 |
|
2 |
02373700 |
БОЛТ 6-ГР. |
4 |
|
2 |
02361700 |
ГАЙКА 6-ГР. |
4 |
|
2 |
02393870 |
ШАЙБА КОНТАКТНАЯ |
4 |
|
3 |
05722720 |
ВТУЛКА |
1 |
|
4 |
06093701 |
TIGHTENING PIECE |
1 |
|
5 |
02331930 |
ШАЙБА |
1 |
|
6 |
08177480 |
ПРУЖИНА СЖАТИЯ |
1 |
|
7 |
06692380 |
SPACER SLEEVE |
1 |
|
8 |
02361720 |
ГАЙКА 6-ГР. |
2 |
|
9 |
02150991 |
РЫМ-БОЛТ |
1 |
|
10 |
02374620 |
БОЛТ 6-ГР. |
1 |
|
10 |
02361720 |
ГАЙКА 6-ГР. |
1 |
|
10 |
02393890 |
ШАЙБА КОНТАКТНАЯ |
1 |
|
11 |
02378150 |
БОЛТ 6-ГР. |
1 |
|
11 |
02361720 |
ГАЙКА 6-ГР. |
1 |
|
11 |
02393890 |
ШАЙБА КОНТАКТНАЯ |
1 |
|
12 |
06692850 |
КОНСОЛЬ |
1 |
|
13 |
02362280 |
БОЛТ 6-ГР. |
1 |
|
13 |
02361720 |
ГАЙКА 6-ГР. |
1 |
|
13 |
02393890 |
ШАЙБА КОНТАКТНАЯ |
1 |
|
14 |
06682030 |
КРОНШТЕЙН |
1 |
|
15 |
02373830 |
БОЛТ 6-ГР. |
2 |
|
15 |
02361710 |
ГАЙКА 6-ГР. |
2 |
|
15 |
02393880 |
ШАЙБА КОНТАКТНАЯ |
2 |
|
16 |
06675601 |
РЕМЕНЬ КЛИНОВОЙ |
1 |
|