Искать по номеру запчасти
Позиция |
Код |
Имя |
Количество |
|
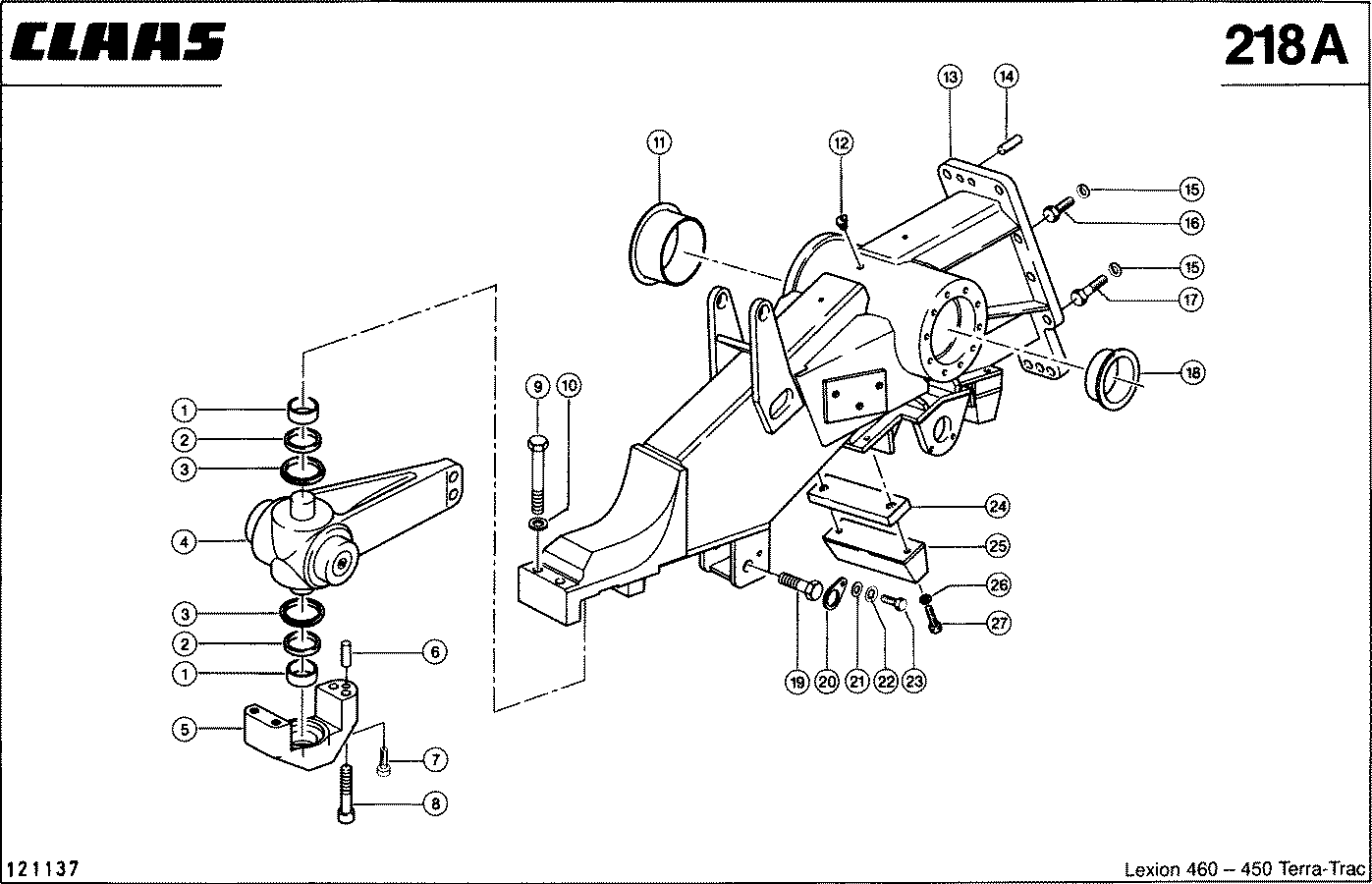
1 |
02181700 |
ПОДШИПНИК СКОЛЬЖ. |
4 |
|
2 |
07640330 |
КОЛЬЦО РАСПОРНОЕ |
4 |
|
3 |
07640350 |
УПЛОТНЕНИЕ |
4 |
|
4 |
07640230 |
РЫЧАГ УСТАНОВ. |
2 |
|
5 |
07640240 |
КОЛПАЧОК |
2 |
|
6 |
07640360 |
ШТИФТ УСТАНОВОЧН. |
2 |
|
7 |
02382431 |
ВИНТ С ЦИЛ.ГОЛ. |
2 |
|
8 |
02181760 |
ВИНТ С ЦИЛ.ГОЛ. |
4 |
|
9 |
02181750 |
БОЛТ 6-ГР. |
4 |
|
10 |
03658500 |
ШАЙБА |
4 |
|
11 |
07504280 |
ВТУЛКА ПОДШИПНИКА |
2 |
|
12 |
02449460 |
ПРЕСС-МАСЛЕНКА |
2 |
|
13 |
07640102 |
РАМА ЛЕВАЯ |
1 |
|
13 |
07640112 |
РАМА ПРАВАЯ |
1 |
|
14 |
02411210 |
ШТИФТ ЦИЛИНДРИЧ. |
4 |
|
15 |
02351371 |
КОЛЬЦО СТОПОРНОЕ |
22 |
|
16 |
02181710 |
БОЛТ 6-ГР. |
4 |
|
17 |
02181720 |
БОЛТ 6-ГР. |
18 |
|
18 |
07504240 |
ВТУЛКА ПОДШИПНИКА |
2 |
|
19 |
07641120 |
БОЛТ 6-ГР. |
4 |
|
19 |
02181680 |
БОЛТ 6-ГР. |
4 |
|
20 |
07640290 |
ШАЙБА СТОПОРНАЯ |
4 |
|
21 |
02331380 |
ШАЙБА |
4 |
|
22 |
02393890 |
ШАЙБА КОНТАКТНАЯ |
4 |
|
22 |
03624460 |
ШАЙБА П-ОБР. |
4 |
|
23 |
02360560 |
БОЛТ 6-ГР. |
4 |
|
24 |
07500871 |
ПЛАСТИНА РАСПОРН. |
4 |
|
25 |
05374660 |
КОЛОДКА РЕЗИНОВАЯ |
4 |
|
26 |
02351321 |
КОЛЬЦО ПРУЖИННОЕ |
8 |
|
27 |
02373400 |
БОЛТ 6-ГР. |
8 |
|