Искать по номеру запчасти
CLAAS :
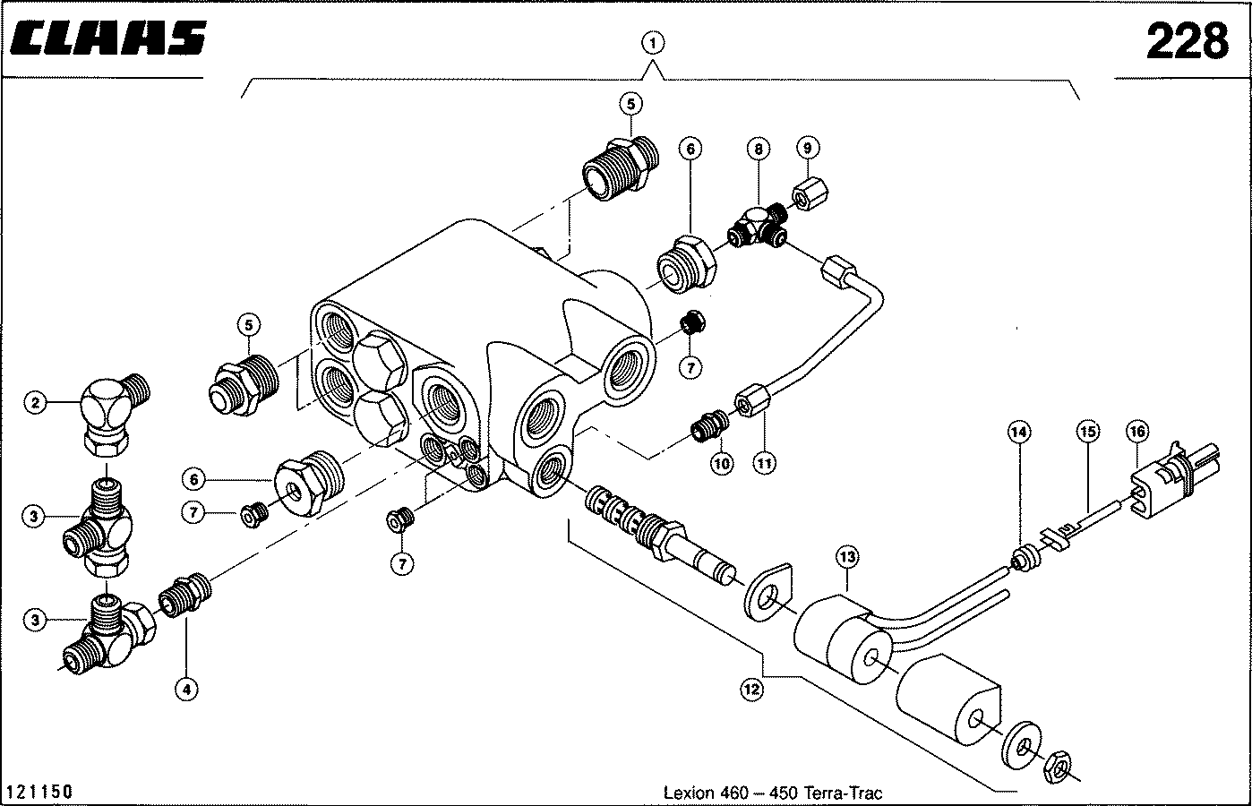
LEXION (450 TERRA; 460 TERRA)
- УПРАВЛЯЕМАЯ ВЕДУЩАЯ ОСЬ "MUD HOG"; РАСПРЕДЕЛИТЕЛЬ
Позиция |
Код |
Имя |
Количество |
|
1 |
07308440 |
КЛАПАН |
1 |
|
1 |
07307760 |
КЛАПАН |
1 |
|
0 |
07308100 |
КПЛ.УПЛОТНЕНИЙ |
1 |
|
2 |
07307980 |
СОЕДИНЕНИЕ РЕЗЬБ. |
1 |
|
3 |
07307990 |
СОЕДИНЕНИЕ РЕЗЬБ. |
2 |
|
4 |
07308000 |
ШТУЦЕР |
1 |
|
5 |
07307590 |
СОЕДИНЕНИЕ РЕЗЬБ. |
4 |
|
6 |
07308030 |
СОЕДИНЕНИЕ РЕЗЬБ. |
2 |
|
7 |
07308020 |
ПРОБКА |
4 |
|
8 |
07308080 |
СОЕДИНЕНИЕ РЕЗЬБ. |
1 |
|
9 |
07308090 |
КОЛПАЧОК |
1 |
|
10 |
07308060 |
ШТУЦЕР |
1 |
|
11 |
07308070 |
ТРУБОПРОВОД |
1 |
|
12 |
07308040 |
КЛАПАН С ЭЛ/ПРИВ. |
1 |
|
13 |
07308050 |
ЭЛЕКТРОМАГНИТ |
1 |
|
14 |
07308120 |
УПЛОТНЕНИЕ |
2 |
|
15 |
07308110 |
CONNECTOR |
2 |
|
16 |
07308130 |
UTENSIL PLUG |
1 |
|