Искать по номеру запчасти
Позиция |
Код |
Имя |
Количество |
|
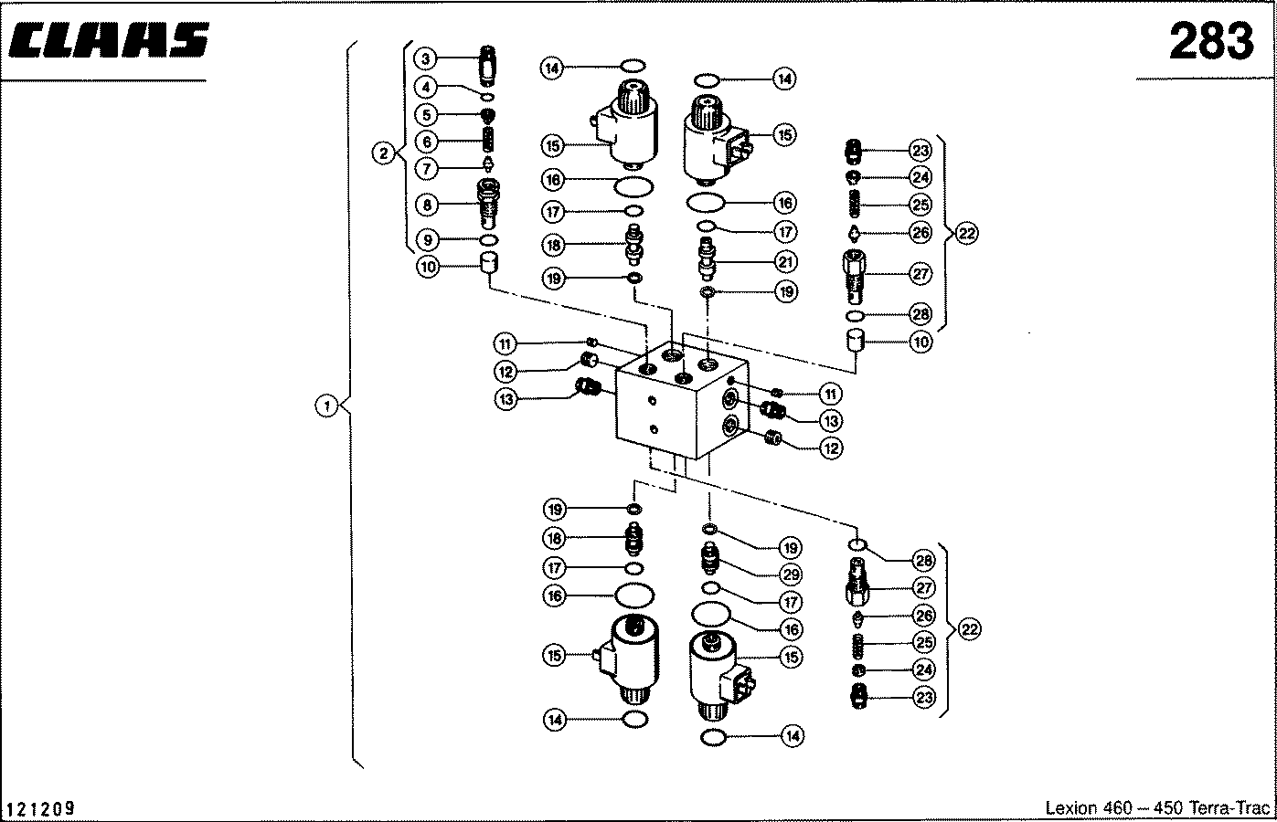
1 |
06313384 |
2X4/3-РАСПРЕДЕЛ. |
1 |
|
2 |
06313790 |
ПАТРОН КЛАПАНА |
1 |
|
3 |
00880920 |
ДРОССЕЛЬ СМОНТ. |
1 |
|
4 |
02159210 |
КОЛЬЦО УПЛОТНИТ. |
1 |
|
5 |
06313800 |
SPRING GUIDE |
1 |
|
6 |
06437050 |
ПРУЖИНА СЖАТИЯ |
1 |
|
7 |
06725841 |
КЛАПАН ОБРАТНЫЙ |
1 |
|
8 |
06313781 |
ВСТАВКА РЕЗЬБОВАЯ |
1 |
|
9 |
02158390 |
КОЛЬЦО УПЛОТНИТ. |
1 |
|
10 |
02153120 |
РОЛИК ЦИЛИНДРИЧ. |
2 |
|
11 |
02358670 |
ШПИЛЬКА |
2 |
|
12 |
02130990 |
ВИНТ ЗАПОРНЫЙ |
2 |
|
13 |
02159170 |
ШТУЦЕР |
1 |
|
13 |
00840680 |
ШТУЦЕР |
1 |
|
0 |
02158380 |
КОЛЬЦО УПЛОТНИТ. |
2 |
|
14 |
02115070 |
УПЛОТНЕНИЕ |
4 |
|
15 |
02130301 |
ЭЛЕКТРОМАГНИТ |
4 |
|
15 |
02130181 |
ЭЛЕКТРОМАГНИТ |
4 |
|
16 |
09432290 |
УПЛОТНЕНИЕ |
4 |
|
17 |
02158390 |
КОЛЬЦО УПЛОТНИТ. |
4 |
|
18 |
06315000 |
ВСТАВКА КЛАПАНА |
2 |
|
19 |
00940010 |
КОЛЬЦО УПЛОТН. |
4 |
|
21 |
06314440 |
ВСТАВКА КЛАПАНА |
1 |
|
22 |
06313750 |
ПАТРОН КЛАПАНА |
3 |
|
23 |
02159160 |
ШТУЦЕР |
3 |
|
0 |
02159210 |
КОЛЬЦО УПЛОТНИТ. |
3 |
|
24 |
06313800 |
SPRING GUIDE |
3 |
|
25 |
06437050 |
ПРУЖИНА СЖАТИЯ |
3 |
|
26 |
06725841 |
КЛАПАН ОБРАТНЫЙ |
3 |
|
27 |
06313761 |
ВСТАВКА РЕЗЬБОВАЯ |
3 |
|
28 |
02158390 |
КОЛЬЦО УПЛОТНИТ. |
3 |
|
29 |
06314820 |
ВСТАВКА КЛАПАНА |
1 |
|
29 |
06314440 |
ВСТАВКА КЛАПАНА |
1 |
|