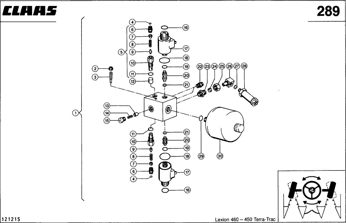
Искать по номеру запчасти
Позиция |
Код |
Имя |
Количество |
|
1 |
06313373 |
AUTOPILOT VALVE |
1 |
|
2 |
02394501 |
ГАЙКА С ШАЙБОЙ |
1 |
|
3 |
06027394 |
ВИНТ-РЕГУЛЯТОР |
1 |
|
4 |
00840180 |
ПАНЕЛЬ |
2 |
|
5 |
06313750 |
ПАТРОН КЛАПАНА |
2 |
|
6 |
02159160 |
ШТУЦЕР |
2 |
|
0 |
02159210 |
КОЛЬЦО УПЛОТНИТ. |
2 |
|
7 |
06313800 |
SPRING GUIDE |
2 |
|
8 |
06437050 |
ПРУЖИНА СЖАТИЯ |
2 |
|
9 |
06725841 |
КЛАПАН ОБРАТНЫЙ |
2 |
|
10 |
06313761 |
ВСТАВКА РЕЗЬБОВАЯ |
2 |
|
11 |
02158390 |
КОЛЬЦО УПЛОТНИТ. |
2 |
|
12 |
02153120 |
РОЛИК ЦИЛИНДРИЧ. |
1 |
|
13 |
06315680 |
NON-RETURN VALVE |
1 |
|
14 |
06437050 |
ПРУЖИНА СЖАТИЯ |
1 |
|
15 |
02130990 |
ВИНТ ЗАПОРНЫЙ |
1 |
|
16 |
02115070 |
УПЛОТНЕНИЕ |
2 |
|
17 |
02130301 |
ЭЛЕКТРОМАГНИТ |
2 |
|
18 |
09432290 |
УПЛОТНЕНИЕ |
2 |
|
19 |
02158390 |
КОЛЬЦО УПЛОТНИТ. |
2 |
|
20 |
06314420 |
ВСТАВКА КЛАПАНА |
2 |
|
21 |
00940010 |
КОЛЬЦО УПЛОТН. |
2 |
|
22 |
02159170 |
ШТУЦЕР |
2 |
|
0 |
02158380 |
КОЛЬЦО УПЛОТНИТ. |
2 |
|
23 |
02159180 |
ШТУЦЕР |
1 |
|
0 |
02131030 |
КОЛЬЦО УПЛОТНИТ. |
1 |
|
24 |
02440601 |
КОЛЬЦО ПРОФИЛЬНОЕ |
1 |
|
25 |
02345141 |
UNION NUT |
1 |
|
26 |
00881030 |
АДАПТЕР |
1 |
|
27 |
02161710 |
КОЛЬЦО УПЛОТН. |
1 |
|
28 |
00127491 |
ВЫКЛЮЧАТЕЛЬ КНОП. |
1 |
|
29 |
02158390 |
КОЛЬЦО УПЛОТНИТ. |
1 |
|
30 |
00775911 |
ГИДРОАККУМУЛЯТОР |
1 |
|