Искать по номеру запчасти
Позиция |
Код |
Имя |
Количество |
|
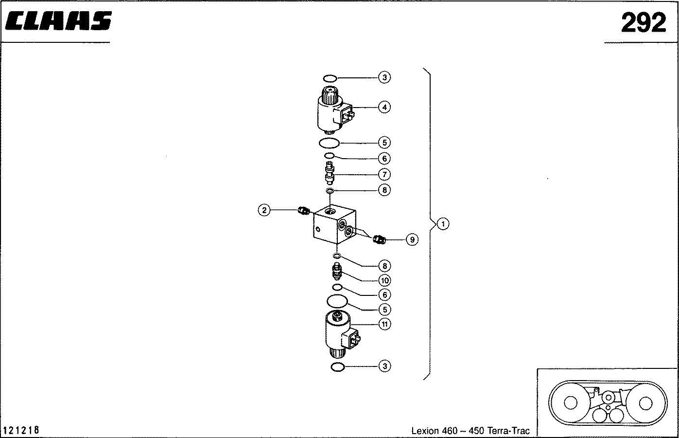
1 |
00881021 |
3/3 РАСПРЕДЕЛИТ. |
1 |
|
2 |
02133580 |
ШТУЦЕР |
1 |
|
0 |
02159210 |
КОЛЬЦО УПЛОТНИТ. |
1 |
|
3 |
02115070 |
УПЛОТНЕНИЕ |
2 |
|
4 |
02130181 |
ЭЛЕКТРОМАГНИТ |
1 |
|
5 |
09432290 |
УПЛОТНЕНИЕ |
2 |
|
6 |
02158390 |
КОЛЬЦО УПЛОТНИТ. |
2 |
|
7 |
06314440 |
ВСТАВКА КЛАПАНА |
1 |
|
8 |
00940010 |
КОЛЬЦО УПЛОТН. |
2 |
|
9 |
02159170 |
ШТУЦЕР |
2 |
|
0 |
02158380 |
КОЛЬЦО УПЛОТНИТ. |
2 |
|
10 |
06315000 |
ВСТАВКА КЛАПАНА |
1 |
|
11 |
02130301 |
ЭЛЕКТРОМАГНИТ |
1 |
|