Искать по номеру запчасти
Позиция |
Код |
Имя |
Количество |
|
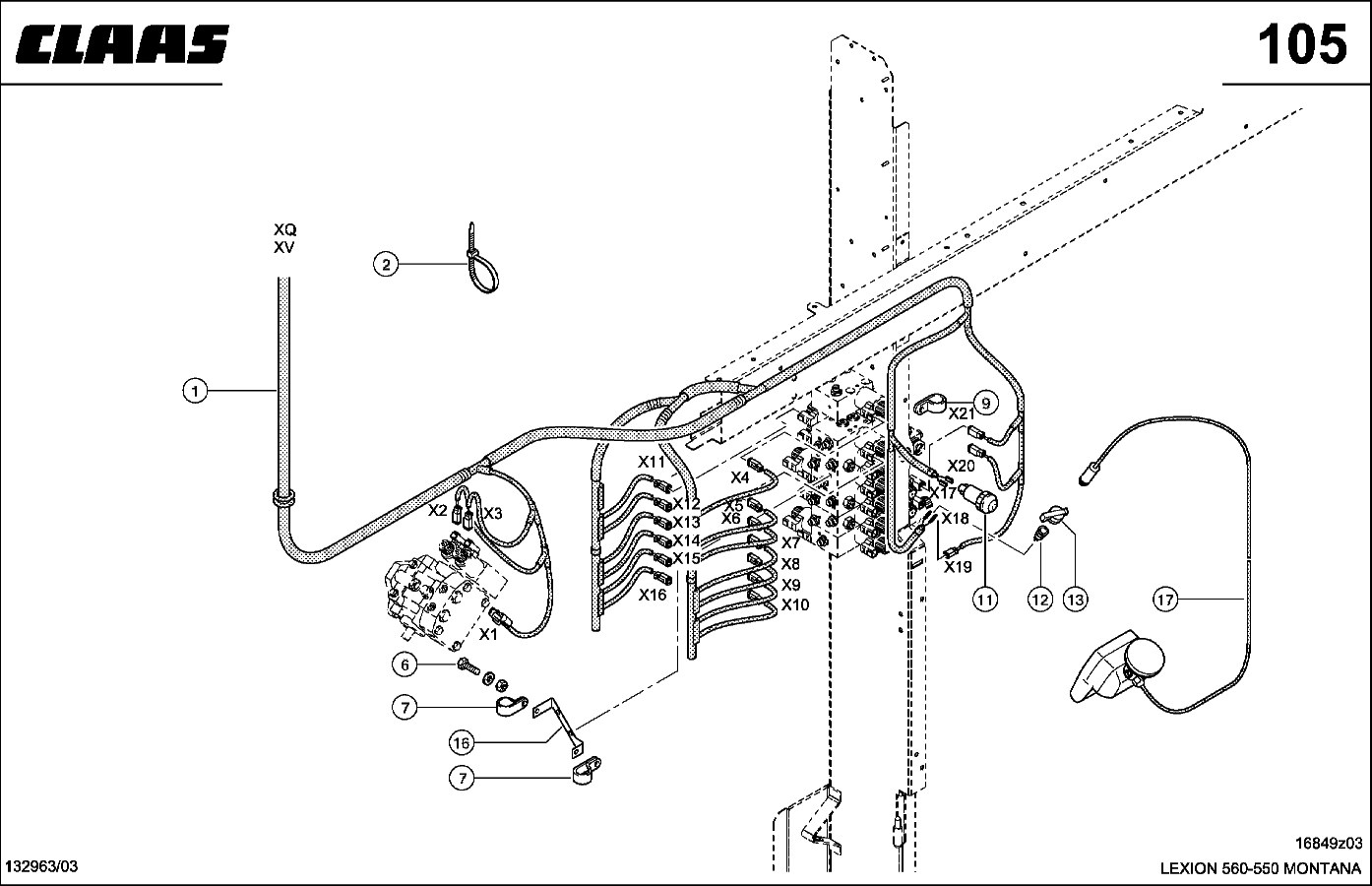
1 |
00160720 |
КПЛ. КАБЕЛЕЙ |
1 |
|
1 |
00153320 |
КПЛ. КАБЕЛЕЙ |
1 |
|
1 |
00153030 |
КПЛ. КАБЕЛЕЙ |
1 |
|
1 |
00148173 |
КПЛ. КАБЕЛЕЙ |
1 |
|
0 |
00151990 |
ШТЕПСЕЛЬ ЛОЖНЫЙ |
0 |
|
0 |
02185220 |
ВИНТ С ЦИЛ.ГОЛ. |
0 |
|
0 |
02441330 |
ШАЙБА |
0 |
|
2 |
02378710 |
ЛЕНТА ДЛЯ КАБЕЛЯ |
1 |
|
6 |
02362000 |
БОЛТ 6-ГР. |
2 |
|
6 |
02393870 |
ШАЙБА КОНТАКТНАЯ |
2 |
|
6 |
02361700 |
ГАЙКА 6-ГР. |
2 |
|
7 |
02154050 |
СКОБА ТРУБНАЯ |
2 |
|
9 |
02154030 |
СКОБА ТРУБНАЯ |
1 |
|
11 |
00123770 |
КНОПКА НАЖИМНАЯ |
1 |
|
12 |
00147980 |
РОЗЕТКА |
1 |
|
12 |
06585231 |
РОЗЕТКА |
1 |
|
13 |
06585240 |
КРЫШКА |
1 |
|
16 |
06836750 |
КРОНШТЕЙН |
1 |
|
17 |
00145940 |
ФАРА |
1 |
|