Искать по номеру запчасти
Позиция |
Код |
Имя |
Количество |
|
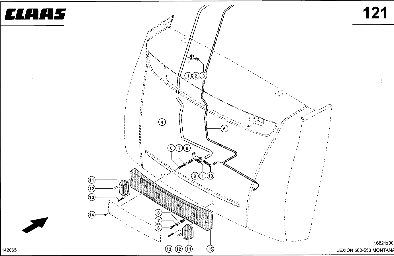
1 |
08129910 |
СКОБА ТРУБНАЯ |
2 |
|
2 |
02393870 |
ШАЙБА КОНТАКТНАЯ |
2 |
|
3 |
02381320 |
ГАЙКА СТОПОРНАЯ |
2 |
|
4 |
07592910 |
ТРУБОПРОВОД КАБ. |
1 |
|
5 |
00151100 |
КПЛ. КАБЕЛЕЙ |
1 |
|
6 |
02362130 |
БОЛТ 6-ГР. |
2 |
|
6 |
02393870 |
ШАЙБА КОНТАКТНАЯ |
2 |
|
6 |
02381320 |
ГАЙКА СТОПОРНАЯ |
2 |
|
7 |
02393931 |
ШАЙБА КОНТАКТНАЯ |
2 |
|
8 |
06570620 |
SPACER SLEEVE |
2 |
|
9 |
07593180 |
ЩИТОК ОПОРНЫЙ |
1 |
|
10 |
02362000 |
БОЛТ 6-ГР. |
1 |
|
10 |
02393870 |
ШАЙБА КОНТАКТНАЯ |
1 |
|
10 |
02381320 |
ГАЙКА СТОПОРНАЯ |
1 |
|
11 |
07946400 |
ФАРА |
2 |
|
12 |
02449810 |
LAMP |
2 |
|
13 |
02369930 |
ВИНТ С ЦИЛ.ГОЛ. |
4 |
|
13 |
02392620 |
SERRATED L.WASHER |
4 |
|
13 |
02372150 |
ГАЙКА 6-ГР. |
4 |
|
14 |
02165320 |
ВИНТ |
4 |
|
15 |
07946880 |
КРОНШТЕЙН |
1 |
|
15 |
07946890 |
КРОНШТЕЙН |
1 |
|