Искать по номеру запчасти
Позиция |
Код |
Имя |
Количество |
|
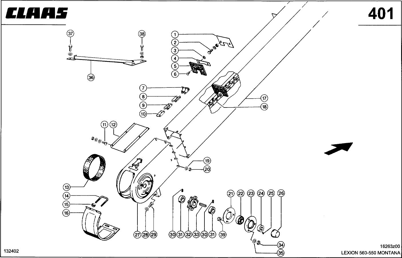
1 |
06712520 |
CONVEYOR PLATE |
1 |
|
2 |
02374390 |
БОЛТ 6-ГР. |
2 |
|
2 |
02361700 |
ГАЙКА 6-ГР. |
2 |
|
2 |
02393870 |
ШАЙБА КОНТАКТНАЯ |
2 |
|
3 |
02378160 |
ШАЙБА |
78 |
|
4 |
06362082 |
ПОДКЛАДКА |
39 |
|
5 |
06192983 |
CONVEYOR PLATE |
39 |
|
0 |
06192790 |
CHAIN END |
0 |
|
6 |
02357791 |
ЗАКЛЕПКА ТРУБЧАТ. |
78 |
|
7 |
06875451 |
НАКЛАДКА УГЛ.ПЕР. |
0 |
|
0 |
00030520 |
СТОПОР ПРОВОЛОЧН. |
0 |
|
8 |
00028600 |
ЗАМОК ЦЕПИ |
0 |
|
0 |
00030520 |
СТОПОР ПРОВОЛОЧН. |
0 |
|
9 |
00028610 |
ПЕРЕХОДНОЕ ЗВЕНО |
0 |
|
10 |
00028660 |
ВНУТРЕННЕЕ ЗВЕНО |
0 |
|
11 |
02154290 |
ВИНТ ПОЛУПОТАЙНОЙ |
4 |
|
11 |
02361690 |
ГАЙКА 6-ГР. |
4 |
|
11 |
02369122 |
ШАЙБА |
4 |
|
11 |
02393860 |
ШАЙБА КОНТАКТНАЯ |
4 |
|
12 |
06479120 |
ПЕРЕГОРОДКА |
1 |
|
13 |
06079971 |
БАНДАЖ РЕЗИНОВЫЙ |
1 |
|
14 |
06841840 |
LOCKING YOKE |
1 |
|
15 |
02381320 |
ГАЙКА СТОПОРНАЯ |
2 |
|
16 |
06478960 |
КРЫШКА ЗАПОРНАЯ |
1 |
|
16 |
06879140 |
КРЫШКА ЗАПОРНАЯ |
1 |
|
17 |
07841171 |
ЭЛЕВАТОР |
1 |
|
18 |
07353670 |
CONVEY.CHAIN CPL. |
1 |
|
19 |
02393920 |
ШАЙБА КОНТАКТНАЯ |
8 |
|
20 |
02361690 |
ГАЙКА 6-ГР. |
8 |
|
21 |
06104460 |
ФЛАНЕЦ МЕТАЛЛИЧ. |
1 |
|
22 |
02163290 |
ПОДШИПНИК КОЛЬЦА |
1 |
|
23 |
02393210 |
ФЛАНЕЦ МЕТАЛЛИЧ. |
1 |
|
24 |
06104471 |
КОЛЬЦО ЗАЖИМНОЕ |
1 |
|
25 |
02138240 |
ШПИЛЬКА |
1 |
|
26 |
08180810 |
КОЛПАК ЗАЩИТНЫЙ |
1 |
|
27 |
07353301 |
НОЖКА ЭЛЕВАТОРА |
1 |
|
28 |
02393870 |
ШАЙБА КОНТАКТНАЯ |
2 |
|
29 |
02374390 |
БОЛТ 6-ГР. |
2 |
|
30 |
02365520 |
ШПИЛЬКА |
2 |
|
31 |
05003092 |
КОЛЬЦО УСТАНОВ. |
2 |
|
32 |
06741435 |
ЗВЕЗДОЧКА |
1 |
|
33 |
06652600 |
ШПОНКА ПРИЗМАТИЧ. |
1 |
|
34 |
02361710 |
ГАЙКА 6-ГР. |
3 |
|
35 |
02393880 |
ШАЙБА КОНТАКТНАЯ |
3 |
|
36 |
07546570 |
SUPPORT |
1 |
|
37 |
02378740 |
БОЛТ 6-ГР. |
1 |
|
37 |
02393880 |
ШАЙБА КОНТАКТНАЯ |
1 |
|
38 |
02362000 |
БОЛТ 6-ГР. |
2 |
|
38 |
02361700 |
ГАЙКА 6-ГР. |
2 |
|
38 |
02393870 |
ШАЙБА КОНТАКТНАЯ |
2 |
|
39 |
07572540 |
ВТУЛКА |
3 |
|