Искать по номеру запчасти
Позиция |
Код |
Имя |
Количество |
|
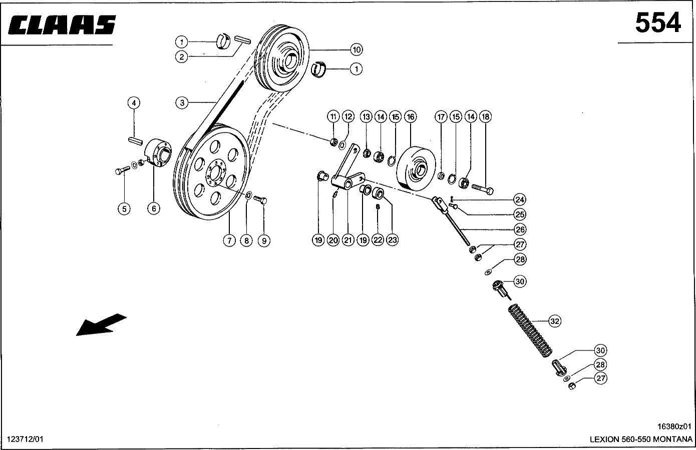
22 |
02365520 |
ШПИЛЬКА |
1 |
|
23 |
05003102 |
КОЛЬЦО УСТАНОВ. |
1 |
|
24 |
02350890 |
ШПЛИНТ |
1 |
|
25 |
06321330 |
ПАЛЕЦ |
1 |
|
26 |
06443320 |
ВИЛКА С РЕЗЬБОЙ |
1 |
|
27 |
02361720 |
ГАЙКА 6-ГР. |
2 |
|
27 |
02495690 |
ГАЙКА 6-ГР. |
1 |
|
28 |
02342840 |
ШАЙБА |
1 |
|
30 |
06288930 |
SPRING GUIDE |
2 |
|
32 |
06295790 |
ПРУЖИНА СЖАТИЯ |
1 |
|
1 |
07448870 |
КОЛЬЦО КОНИЧЕСКОЕ |
2 |
|
2 |
02171610 |
ШПОНКА ПРИЗМАТИЧ. |
1 |
|
2 |
02393480 |
ШПОНКА ПРИЗМАТИЧ. |
1 |
|
3 |
06672490 |
РЕМЕНЬ |
1 |
|
4 |
02349070 |
ШПОНКА ПРИЗМАТИЧ. |
1 |
|
5 |
02355360 |
БОЛТ 6-ГР. |
1 |
|
5 |
02361710 |
ГАЙКА 6-ГР. |
1 |
|
5 |
02393880 |
ШАЙБА КОНТАКТНАЯ |
1 |
|
6 |
06674260 |
СТУПИЦА ЗАЖИМНАЯ |
1 |
|
7 |
06672610 |
ШКИВ КЛИНОРЕМЕН. |
1 |
|
8 |
02393880 |
ШАЙБА КОНТАКТНАЯ |
8 |
|
9 |
02110320 |
БОЛТ 6-ГР. |
8 |
|
10 |
03557770 |
ШКИВ КЛИНОРЕМЕН. |
1 |
|
10 |
06449070 |
ШКИВ КЛИНОРЕМЕН. |
1 |
|
10 |
06449060 |
ШКИВ КЛИНОРЕМЕН. |
1 |
|
0 |
02154180 |
ВИНТ С ЦИЛ.ГОЛ. |
1 |
|
11 |
02361730 |
ГАЙКА 6-ГР. |
1 |
|
12 |
02351351 |
КОЛЬЦО СТОПОРНОЕ |
1 |
|
13 |
06243520 |
ШАЙБА РАСПОРНАЯ |
1 |
|
14 |
02394630 |
Ш/ПОДШ.РАДИАЛЬНЫЙ |
2 |
|
15 |
02351790 |
КОЛЬЦО СТОПОРНОЕ |
2 |
|
16 |
06412892 |
РОЛИК НАТЯЖНОЙ |
1 |
|
17 |
06298251 |
КОЛЬЦО РАСПОРНОЕ |
1 |
|
18 |
02160471 |
ШПИЛЬКА 6-ГР.УСТ. |
1 |
|
19 |
00085340 |
ВТУЛКА |
2 |
|
20 |
01798380 |
ПРЕСС-МАСЛЕНКА |
1 |
|
21 |
06674220 |
ДЕРЖАТЕЛЬ РОЛИКА |
1 |
|
0 |
05151580 |
НАКЛЕЙКА |
1 |
|