Искать по номеру запчасти
Позиция |
Код |
Имя |
Количество |
|
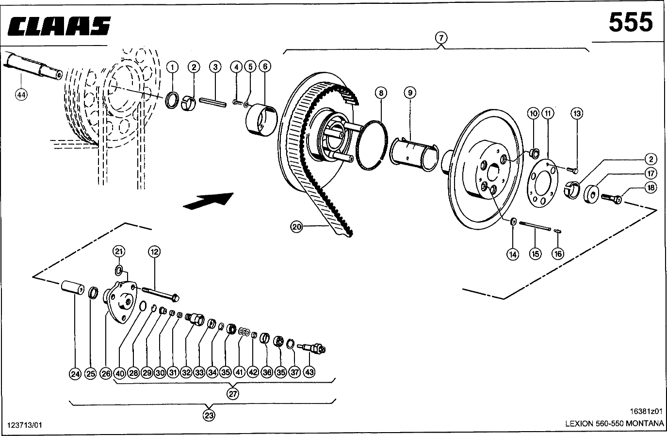
1 |
06674110 |
ШАЙБА НАЖИМНАЯ |
1 |
|
2 |
06674050 |
КОЛЬЦО КОНИЧЕСКОЕ |
2 |
|
3 |
02158150 |
ШПОНКА ПРИЗМАТИЧ. |
1 |
|
4 |
02374640 |
БОЛТ 6-ГР. |
3 |
|
5 |
02351311 |
КОЛЬЦО ПРУЖИННОЕ |
3 |
|
6 |
06674121 |
КОЖУХ |
1 |
|
7 |
07448540 |
УЗЕЛ ПРИВОДНОЙ |
1 |
|
8 |
01773090 |
ПОЛОСКА ВОЙЛОЧНАЯ |
0 |
|
9 |
06286010 |
ВТУЛКА СКОЛЬЖЕНИЯ |
1 |
|
10 |
00085430 |
ВТУЛКА |
3 |
|
11 |
07498570 |
КРЫШКА |
1 |
|
12 |
06554072 |
ВИНТ ПОТАЙНОЙ |
3 |
|
13 |
02391600 |
БОЛТ 6-ГР. |
3 |
|
14 |
06298470 |
ШАЙБА УПЛОТН. |
1 |
|
15 |
06604890 |
МАСЛОПРОВОД |
1 |
|
16 |
02369440 |
ПРЕСС-МАСЛЕНКА |
1 |
|
17 |
06674140 |
ШАЙБА НАЖИМНАЯ |
1 |
|
18 |
06679440 |
ВИНТ ЦЕНТРИР. |
1 |
|
20 |
06672480 |
РЕМЕНЬ КЛИН.ШИРОК |
1 |
|
21 |
02335150 |
ШАЙБА УСТАНОВОЧН. |
3 |
|
23 |
07449691 |
CONTROL CYLINDER |
1 |
|
23 |
00841050 |
ЦИЛИНДР РЕГУЛИР. |
1 |
|
24 |
00876521 |
ПОРШЕНЬ ГИДРАВЛ. |
1 |
|
25 |
02183760 |
КОЛЬЦО П-ОБРАЗН. |
1 |
|
26 |
07449661 |
ФЛАНЕЦ НАПОРНЫЙ |
1 |
|
26 |
00896150 |
ФЛАНЕЦ НАПОРНЫЙ |
1 |
|
0 |
05151570 |
НАКЛЕЙКА |
1 |
|
27 |
00393890 |
ROTARY CONNECTION |
1 |
|
27 |
00898101 |
ROTARY CONNECTION |
1 |
|
28 |
02442020 |
КОЛЬЦО СТОПОРНОЕ |
1 |
|
29 |
06294131 |
ШКИВ СТУПЕНЧАТЫЙ |
1 |
|
30 |
02130600 |
КОЛЬЦО П-ОБРАЗН. |
1 |
|
31 |
07123612 |
BACK-UP RING |
1 |
|
32 |
00898220 |
SCREW-IN PIECE |
1 |
|
33 |
06302070 |
ШАЙБА УПОРНАЯ |
1 |
|
34 |
02351500 |
КОЛЬЦО СТОПОРНОЕ |
1 |
|
35 |
02358950 |
Ш/ПОДШ.РАДИАЛЬНЫЙ |
2 |
|
36 |
00898190 |
КОЛЬЦО РАСПОРНОЕ |
1 |
|
37 |
02358430 |
КОЛЬЦО СТОПОРНОЕ |
1 |
|
40 |
02159220 |
КОЛЬЦО УПЛОТНИТ. |
1 |
|
41 |
02183570 |
ПРУЖИНА ТАРЕЛЬЧ. |
4 |
|
42 |
00898200 |
КОЛЬЦО РАСПОРНОЕ |
1 |
|
43 |
00402560 |
OIL FEEDING |
1 |
|
44 |
06679031 |
ВАЛ ПРОМЕЖУТОЧНЫЙ |
1 |
|