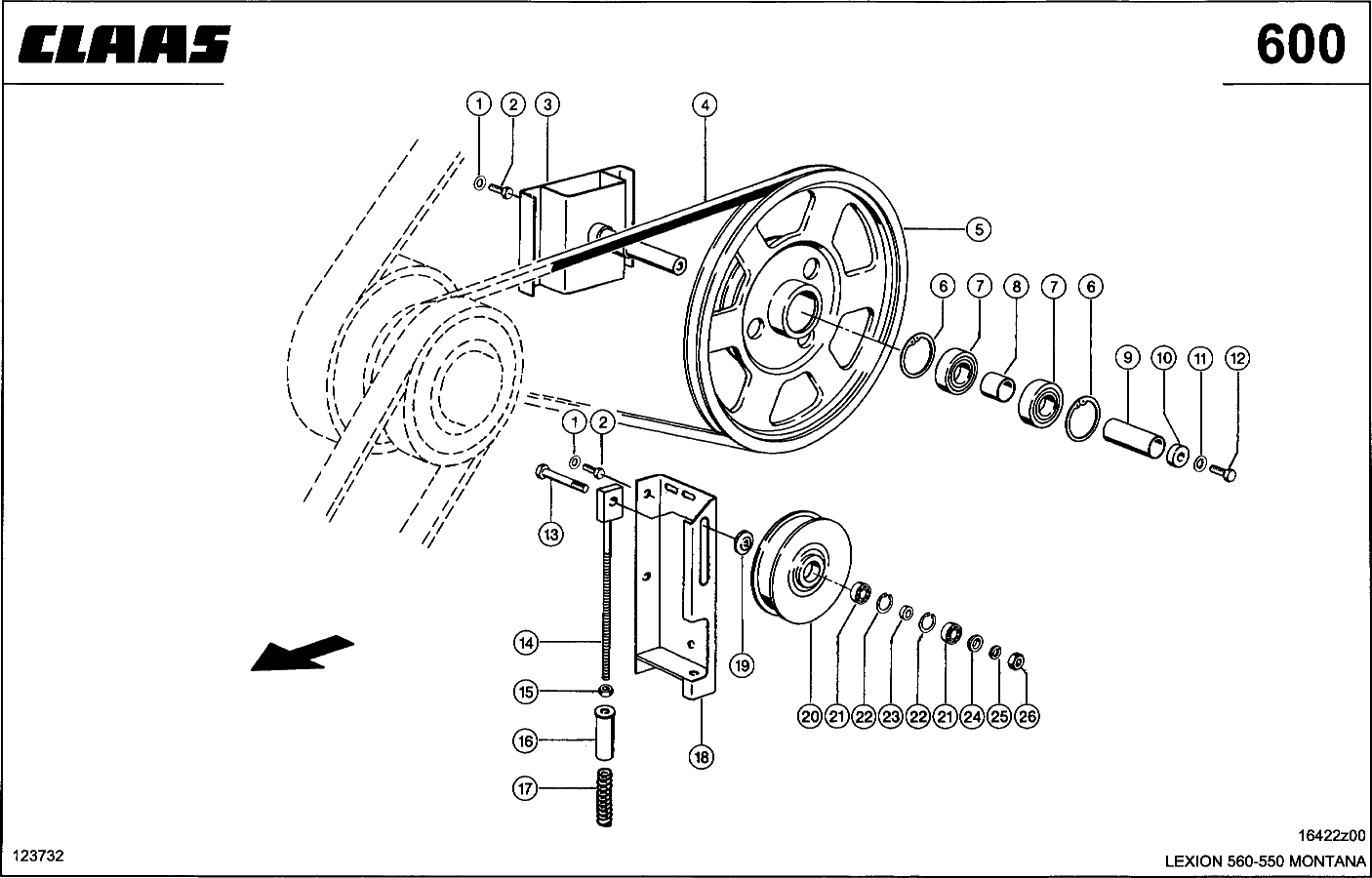
CLAAS : LEXION (560 MONTANA; 550 MONTANA) - ПРИВОД РЕШЕТНОГО СТАНА, 1. СТУПЕНЬ

LEXION - ПРИВОД РЕШЕТНОГО СТАНА, 1. СТУПЕНЬ
Позиция Код Имя Количество
1 02393880 ШАЙБА КОНТАКТНАЯ 7
2 02373830 БОЛТ 6-ГР. 7
3 06447241 КРОНШТЕЙН 1
4 06442090 РЕМЕНЬ КЛИНОВОЙ 1
5 06672691 ШКИВ КЛИНОРЕМЕН. 1
6 02363180 КОЛЬЦО СТОПОРНОЕ 2
7 02161010 Ш/ПОДШ.РАДИАЛЬНЫЙ 2
8 06173290 ТРУБА РАСПОРНАЯ 1
9 06673391 ТРУБА РАСПОРНАЯ 1
10 06730460 ШАЙБА НАЖИМНАЯ 1
11 02393910 ШАЙБА КОНТАКТНАЯ 1
12 02358210 БОЛТ 6-ГР. 1
13 02161420 ШПИЛЬКА 6-ГР.УСТ. 1
14 06673370 ВИНТ СТЯЖНОЙ 1
15 02361710 ГАЙКА 6-ГР. 1
16 06673350 SPRING GUIDE 1
17 00003640 ПРУЖИНА 1
18 06673322 СТОЙКА ЗАЖИМНАЯ 1
19 06446050 КОЛЬЦО ЗАЖИМНОЕ 1
20 07207921 РОЛИК НАТЯЖНОЙ 1
21 02377090 Ш/ПОДШ.РАДИАЛЬНЫЙ 2
22 02351790 КОЛЬЦО СТОПОРНОЕ 2
23 06298251 КОЛЬЦО РАСПОРНОЕ 1
24 06243520 ШАЙБА РАСПОРНАЯ 1
25 02351351 КОЛЬЦО СТОПОРНОЕ 1
26 02361730 ГАЙКА 6-ГР. 1
CLAAS FORTSCHRITT