Искать по номеру запчасти
Позиция |
Код |
Имя |
Количество |
|
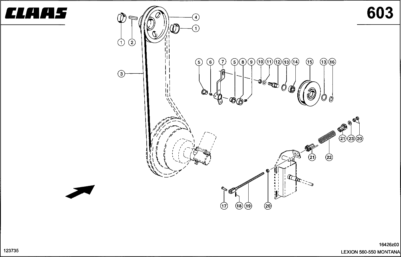
1 |
06674050 |
КОЛЬЦО КОНИЧЕСКОЕ |
2 |
|
2 |
02155380 |
ШПОНКА ПРИЗМАТИЧ. |
1 |
|
3 |
07465060 |
РЕМЕНЬ КЛИНОВОЙ |
1 |
|
4 |
06672761 |
ШКИВ КЛИНОРЕМЕН. |
1 |
|
5 |
06321710 |
ВТУЛКА |
2 |
|
6 |
01798380 |
ПРЕСС-МАСЛЕНКА |
1 |
|
7 |
06289220 |
ДЕРЖАТЕЛЬ РОЛИКА |
1 |
|
0 |
05151580 |
НАКЛЕЙКА |
1 |
|
8 |
05003102 |
КОЛЬЦО УСТАНОВ. |
1 |
|
9 |
02365520 |
ШПИЛЬКА |
1 |
|
10 |
02361720 |
ГАЙКА 6-ГР. |
1 |
|
11 |
02393890 |
ШАЙБА КОНТАКТНАЯ |
1 |
|
12 |
07726200 |
ПАЛЕЦ |
1 |
|
13 |
02351810 |
КОЛЬЦО СТОПОРНОЕ |
2 |
|
14 |
02155400 |
Ш/ПОДШ.РАДИАЛЬНЫЙ |
1 |
|
15 |
07240321 |
РОЛИК НАТЯЖНОЙ |
1 |
|
16 |
02351550 |
КОЛЬЦО СТОПОРНОЕ |
1 |
|
17 |
06321330 |
ПАЛЕЦ |
1 |
|
18 |
02350890 |
ШПЛИНТ |
1 |
|
19 |
06443320 |
ВИЛКА С РЕЗЬБОЙ |
1 |
|
20 |
02361720 |
ГАЙКА 6-ГР. |
3 |
|
21 |
06288930 |
SPRING GUIDE |
2 |
|
22 |
07025060 |
ПРУЖИНА СЖАТИЯ |
1 |
|
23 |
02342840 |
ШАЙБА |
1 |
|