Искать по номеру запчасти
Позиция |
Код |
Имя |
Количество |
|
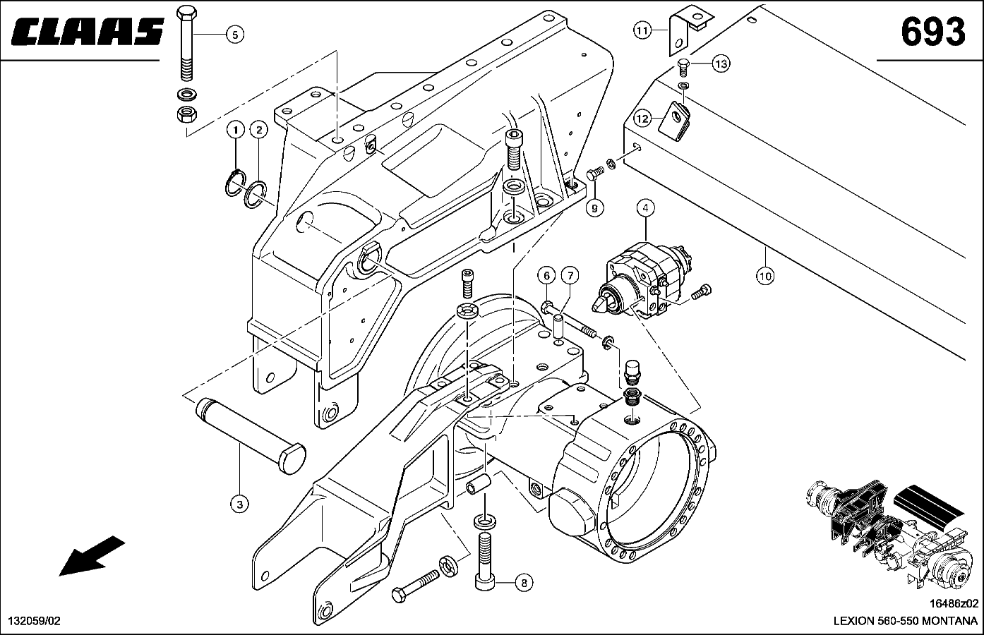
1 |
02121110 |
КОЛЬЦО СТОПОРНОЕ |
1 |
|
2 |
02381980 |
BACK-UP WASHER |
1 |
|
3 |
06946360 |
ПАЛЕЦ С БУРТИКОМ |
1 |
|
4 |
06948910 |
SPRING-TYPE CYL. |
1 |
|
4 |
06946170 |
SPRING-TYPE CYL. |
1 |
|
5 |
02424110 |
БОЛТ 6-ГР. |
12 |
|
5 |
02335510 |
ГАЙКА СТОПОРНАЯ |
12 |
|
5 |
02121910 |
ШАЙБА КОНТАКТНАЯ |
12 |
|
6 |
02166770 |
ВИНТ С 6-ГР.ГОЛ. |
16 |
|
7 |
02166970 |
ШТИФТ ЦИЛИНДРИЧ. |
2 |
|
8 |
02166800 |
ВИНТ С ЦИЛ.ГОЛ. |
5 |
|
9 |
02374390 |
БОЛТ 6-ГР. |
4 |
|
9 |
02393870 |
ШАЙБА КОНТАКТНАЯ |
4 |
|
10 |
07943620 |
ЩИТОК |
1 |
|
11 |
07943610 |
ANGLE |
2 |
|
12 |
07943790 |
ANGLE |
1 |
|
12 |
07943690 |
ANGLE |
1 |
|
13 |
02374390 |
БОЛТ 6-ГР. |
4 |
|
13 |
02393931 |
ШАЙБА КОНТАКТНАЯ |
4 |
|