Искать по номеру запчасти
Позиция |
Код |
Имя |
Количество |
|
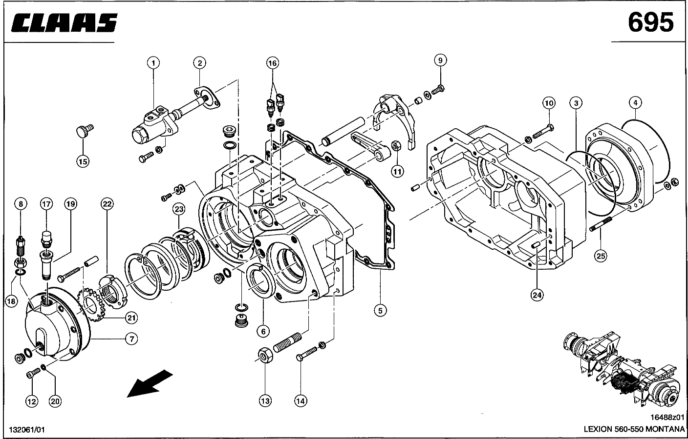
0 |
06946220 |
РЕДУКТОР |
1 |
|
1 |
06948900 |
SHIFT CYLINDER |
1 |
|
1 |
06946140 |
SHIFT CYLINDER |
1 |
|
2 |
06946130 |
УПЛОТНЕНИЕ |
1 |
|
3 |
02145250 |
КОЛЬЦО УПЛОТНИТ. |
1 |
|
4 |
02145240 |
КОЛЬЦО УПЛОТНИТ. |
1 |
|
5 |
06946150 |
УПЛОТНЕНИЕ |
1 |
|
6 |
02145330 |
УПЛОТНЕНИЕ ВАЛА |
1 |
|
7 |
02145230 |
КОЛЬЦО УПЛОТНИТ. |
1 |
|
8 |
00118100 |
SPEED SENSOR |
1 |
|
9 |
02349561 |
БОЛТ 6-ГР. |
1 |
|
10 |
02150100 |
БОЛТ 6-ГР. |
1 |
|
11 |
02389450 |
ГАЙКА 6-ГР. |
1 |
|
12 |
02129350 |
ВИНТ С ЦИЛ.ГОЛ. |
7 |
|
13 |
02335610 |
ГАЙКА 6-ГР. |
4 |
|
14 |
02150100 |
БОЛТ 6-ГР. |
16 |
|
15 |
06946090 |
GEAR SHIFT LOCK |
1 |
|
16 |
00118034 |
PLUNGER SWITCH |
2 |
|
16 |
06694070 |
ПЕРЕКЛЮЧАТЕЛЬ |
2 |
|
17 |
06947100 |
BREATHER |
1 |
|
18 |
02166950 |
ШАЙБА УПЛОТН. |
1 |
|
19 |
06948810 |
EXTENSION |
1 |
|
20 |
02130870 |
ШАЙБА УПЛОТН. |
7 |
|
21 |
06948630 |
ШАЙБА |
1 |
|
22 |
06948700 |
ГАЙКА ШЛИЦЕВАЯ |
1 |
|
23 |
02146360 |
Ш/ПОДШ.РАДИАЛЬНЫЙ |
1 |
|
24 |
02118210 |
ШТИФТ ЦИЛИНДРИЧ. |
2 |
|
25 |
02166810 |
ШПИЛЬКА |
8 |
|