Искать по номеру запчасти
Позиция |
Код |
Имя |
Количество |
|
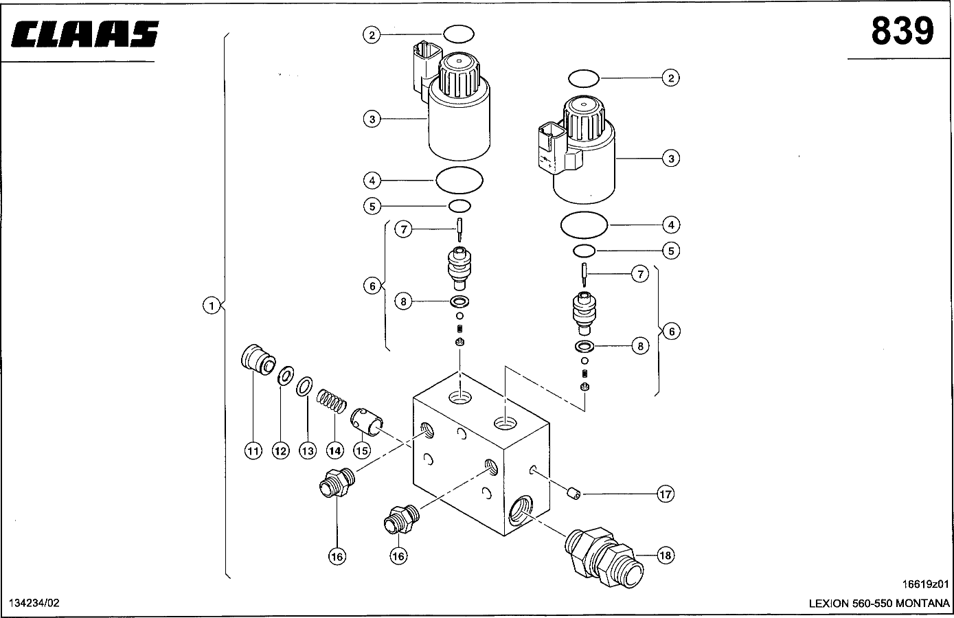
1 |
00395870 |
ПЛАСТИНА КОНЦЕВАЯ |
1 |
|
1 |
00401340 |
ПЛАСТИНА КОНЦЕВАЯ |
1 |
|
2 |
02115070 |
УПЛОТНЕНИЕ |
2 |
|
3 |
00404390 |
СОЛЕНОИД |
2 |
|
3 |
02130181 |
ЭЛЕКТРОМАГНИТ |
2 |
|
4 |
09432290 |
УПЛОТНЕНИЕ |
2 |
|
5 |
02158390 |
КОЛЬЦО УПЛОТНИТ. |
2 |
|
6 |
06314440 |
ВСТАВКА КЛАПАНА |
2 |
|
7 |
06314390 |
ПОЛЗУН |
2 |
|
8 |
00940010 |
КОЛЬЦО УПЛОТН. |
2 |
|
11 |
00883010 |
LOCKING PIECE |
1 |
|
12 |
02116730 |
BACK-UP RING |
1 |
|
13 |
02381890 |
УПЛОТНЕНИЕ |
1 |
|
14 |
00884240 |
ПРУЖИНА СЖАТИЯ |
1 |
|
15 |
00883170 |
PRESS. REGULATOR |
1 |
|
16 |
02159160 |
ШТУЦЕР |
2 |
|
17 |
02134570 |
ПРОБКА УПЛОТН. |
3 |
|
18 |
02391640 |
КЛАПАН |
1 |
|