CLAAS : LEXION (560 MONTANA; 550 MONTANA) - ГИДРОПРОВОДЫ, УПРАВЛЯЮЩЕЕ ДАВЛЕНИЕ ПРИВОД ДВИЖЕНИЯ

LEXION - ГИДРОПРОВОДЫ, УПРАВЛЯЮЩЕЕ ДАВЛЕНИЕ ПРИВОД ДВИЖЕНИЯ
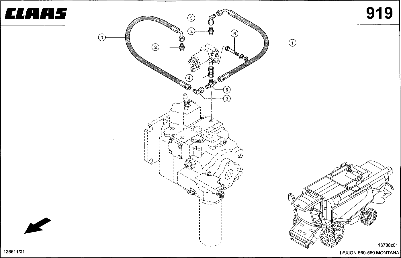
Позиция Код Имя Количество
1 00690831 ШЛАНГ СОЕДИНИТ. 2
0 02114360 УПЛОТНЕНИЕ 4
2 02156390 СОЕДИНЕНИЕ РЕЗЬБ. 2
3 02386930 ПАТРУБОК УГЛОВОЙ 2
4 02160930 СОЕДИНЕНИЕ РЕЗЬБ. 1
5 02157191 КЛАПАН ПЕРЕКИДНОЙ 1
6 02378000 БОЛТ 6-ГР. 1
6 02361690 ГАЙКА 6-ГР. 1
6 02369112 ШАЙБА 1
CLAAS FORTSCHRITT