CLAAS : LEXION (560 MONTANA; 550 MONTANA) - ДВИГАТЕЛЬ CAT C10; СИСТЕМА ОХЛАЖДЕНИЯ

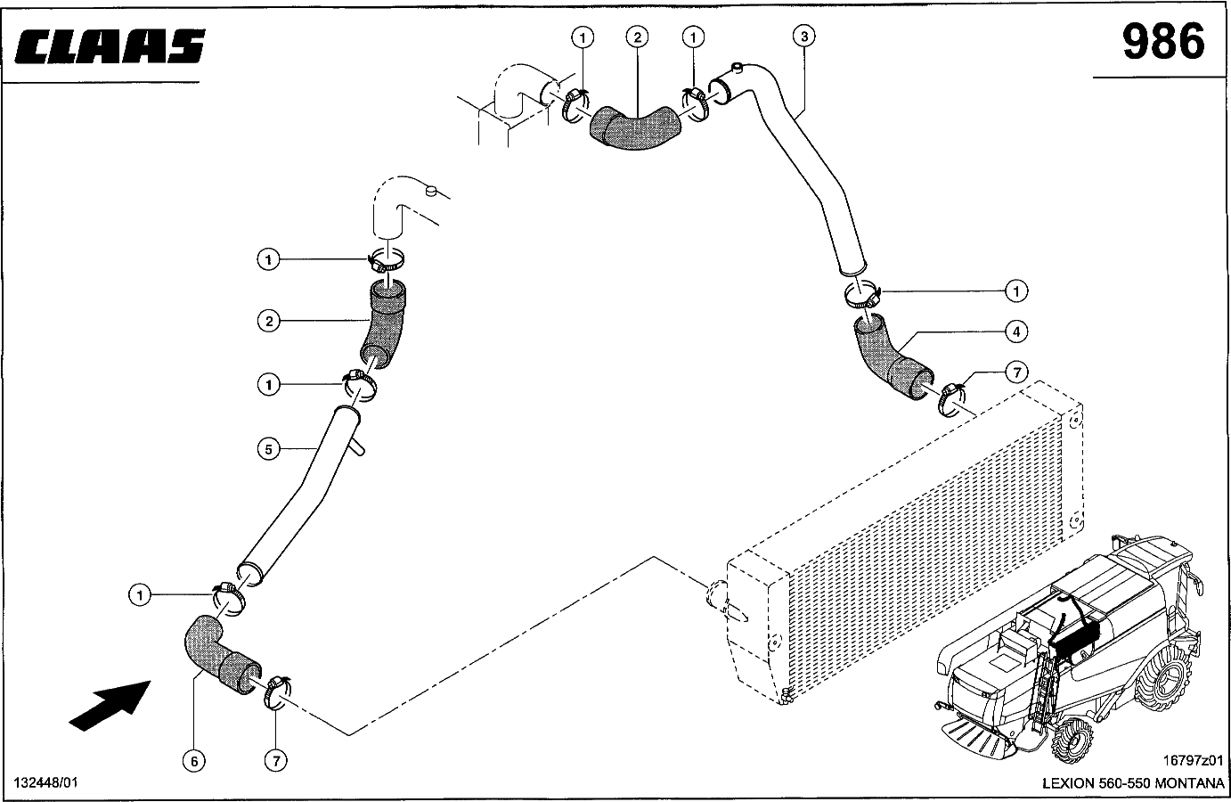
LEXION - ДВИГАТЕЛЬ CAT C10; СИСТЕМА ОХЛАЖДЕНИЯ
Позиция Код Имя Количество
1 04085612 ЗАЖИМ ШЛАНГОВЫЙ 6
2 07960590 RUBBER ELBOW 2
3 07961331 COOL.WATER PIPE 1
4 00735400 RUBBER ELBOW 1
5 07961301 COOL.WATER PIPE 1
6 07961340 RUBBER ELBOW 1
7 02389082 ЗАЖИМ ШЛАНГОВЫЙ 2
0 03648110 ТЕРМОСТАТ 1
CLAAS FORTSCHRITT