Искать по номеру запчасти
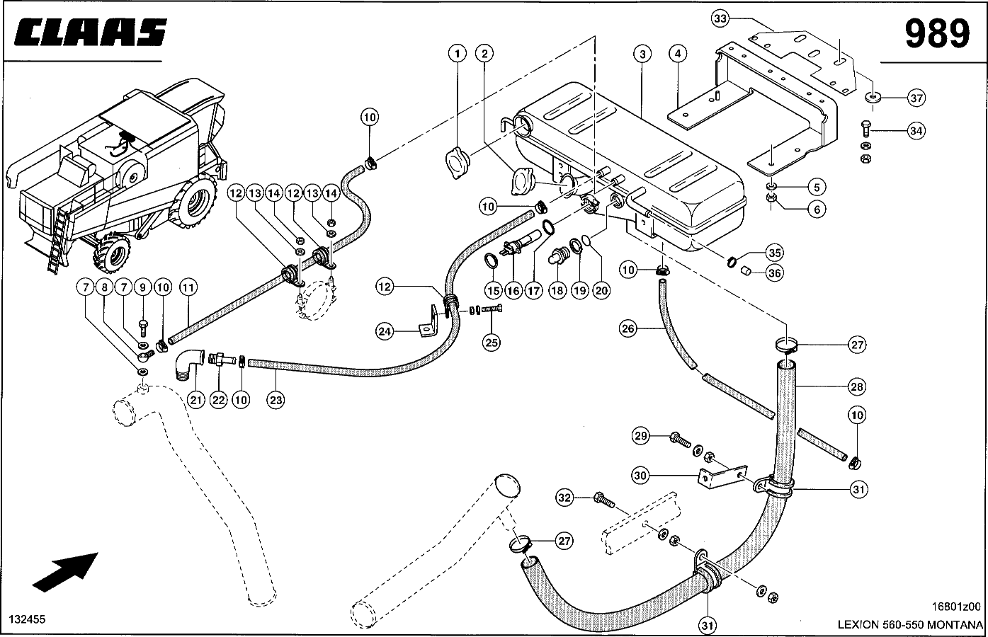
Позиция |
Код |
Имя |
Количество |
|
37 |
02382420 |
ШАЙБА |
2 |
|
1 |
06592220 |
RADIATOR LOCK |
1 |
|
2 |
07520080 |
RADIATOR LOCK |
1 |
|
3 |
07961352 |
COMPENSAT. BOX |
1 |
|
4 |
07521391 |
КРОНШТЕЙН |
1 |
|
5 |
02393931 |
ШАЙБА КОНТАКТНАЯ |
4 |
|
6 |
02361700 |
ГАЙКА 6-ГР. |
4 |
|
7 |
06331141 |
КОЛЬЦО УПЛОТН. |
2 |
|
8 |
02151680 |
СОЕДИНЕНИЕ |
1 |
|
9 |
00960290 |
ВИНТ ПУСТОТЕЛЫЙ |
1 |
|
10 |
04085522 |
ЗАЖИМ ШЛАНГОВЫЙ |
3 |
|
11 |
01365520 |
ШЛАНГ |
1 |
|
12 |
02156120 |
СКОБА ТРУБНАЯ |
3 |
|
13 |
02393860 |
ШАЙБА КОНТАКТНАЯ |
2 |
|
14 |
02361690 |
ГАЙКА 6-ГР. |
2 |
|
15 |
02351630 |
КОЛЬЦО СТОПОРНОЕ |
1 |
|
16 |
00131390 |
ВЫКЛЮЧАТЕЛЬ ПОПЛ. |
1 |
|
17 |
02386340 |
УПЛОТНЕНИЕ |
1 |
|
18 |
01769530 |
ГЛАЗОК |
1 |
|
19 |
01769540 |
КОЛЬЦО УПОРНОЕ |
1 |
|
20 |
02122510 |
УПЛОТНЕНИЕ |
1 |
|
21 |
04051260 |
ANGULAR PIECE |
1 |
|
22 |
07961050 |
АДАПТЕР |
1 |
|
23 |
01365520 |
ШЛАНГ |
1 |
|
24 |
07837680 |
НАКЛАДКА УГЛОВАЯ |
1 |
|
25 |
02380940 |
БОЛТ 6-ГР. |
1 |
|
25 |
02361690 |
ГАЙКА 6-ГР. |
1 |
|
25 |
02393860 |
ШАЙБА КОНТАКТНАЯ |
1 |
|
26 |
01365520 |
ШЛАНГ |
1 |
|
27 |
02390461 |
ЗАЖИМ ШЛАНГОВЫЙ |
2 |
|
28 |
02056760 |
ШЛАНГ |
1 |
|
29 |
02362000 |
БОЛТ 6-ГР. |
1 |
|
29 |
02361700 |
ГАЙКА 6-ГР. |
1 |
|
29 |
02393870 |
ШАЙБА КОНТАКТНАЯ |
1 |
|
30 |
09609060 |
УГОЛОК |
1 |
|
31 |
02112390 |
СКОБА ТРУБНАЯ |
2 |
|
32 |
02362000 |
БОЛТ 6-ГР. |
1 |
|
32 |
02361700 |
ГАЙКА 6-ГР. |
2 |
|
32 |
02393870 |
ШАЙБА КОНТАКТНАЯ |
2 |
|
33 |
07521353 |
ЩИТОК ОПОРНЫЙ |
1 |
|
34 |
02374420 |
ВИНТ С 6-ГР.ГОЛ. |
7 |
|
34 |
02361700 |
ГАЙКА 6-ГР. |
1 |
|
34 |
02393931 |
ШАЙБА КОНТАКТНАЯ |
7 |
|
35 |
02154082 |
ЗАЖИМ ШЛАНГОВЫЙ |
1 |
|
36 |
07965131 |
КОЛПАЧОК ЗАПОРН. |
1 |
|