Искать по номеру запчасти
Позиция |
Код |
Имя |
Количество |
|
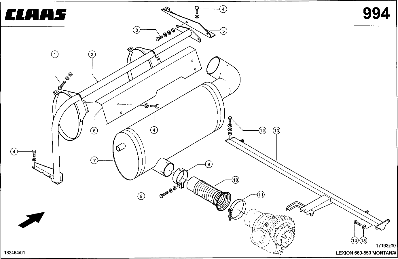
1 |
02381250 |
БОЛТ 6-ГР. |
2 |
|
1 |
02381320 |
ГАЙКА СТОПОРНАЯ |
2 |
|
1 |
02393870 |
ШАЙБА КОНТАКТНАЯ |
2 |
|
2 |
03501082 |
EXHAUST SUPPORT |
1 |
|
2 |
07617231 |
КРОНШТЕЙН |
1 |
|
3 |
02374420 |
ВИНТ С 6-ГР.ГОЛ. |
2 |
|
3 |
02393931 |
ШАЙБА КОНТАКТНАЯ |
4 |
|
3 |
02361700 |
ГАЙКА 6-ГР. |
2 |
|
4 |
02374420 |
ВИНТ С 6-ГР.ГОЛ. |
9 |
|
4 |
02393931 |
ШАЙБА КОНТАКТНАЯ |
9 |
|
5 |
07963100 |
УГОЛОК ОПОРНЫЙ |
1 |
|
6 |
03537320 |
ЩИТОК |
1 |
|
7 |
07619111 |
SILENCER |
1 |
|
8 |
02362130 |
БОЛТ 6-ГР. |
1 |
|
8 |
02381320 |
ГАЙКА СТОПОРНАЯ |
1 |
|
8 |
02393931 |
ШАЙБА КОНТАКТНАЯ |
1 |
|
9 |
06774041 |
СКОБА ТРУБНАЯ |
1 |
|
10 |
03537110 |
ТРУБА ВЫХЛОПНАЯ |
1 |
|
11 |
03536700 |
ХОМУТ |
1 |
|
12 |
02362000 |
БОЛТ 6-ГР. |
1 |
|
12 |
02361700 |
ГАЙКА 6-ГР. |
1 |
|
12 |
02393931 |
ШАЙБА КОНТАКТНАЯ |
2 |
|
13 |
07963054 |
СТОЙКА |
1 |
|
14 |
02374420 |
ВИНТ С 6-ГР.ГОЛ. |
4 |
|
15 |
02393931 |
ШАЙБА КОНТАКТНАЯ |
4 |
|