Искать по номеру запчасти
Позиция |
Код |
Имя |
Количество |
|
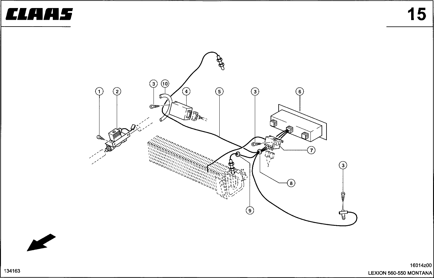
1 |
02425001 |
ВИНТ Д/ЛИСТ.МЕТ. |
2 |
|
2 |
00145382 |
КЛАПАН МАГНИТНЫЙ |
1 |
|
0 |
05473930 |
ФИЛЬТР |
1 |
|
3 |
02427131 |
ВИНТ ДЛЯ ЖЕСТИ |
6 |
|
4 |
00145370 |
МОДУЛЬ |
1 |
|
5 |
00145361 |
TEMPERAT.FEELER |
1 |
|
6 |
00152641 |
CONTROL UNIT |
1 |
|
6 |
00149200 |
CONTROL UNIT |
1 |
|
7 |
00145391 |
ТЕРМОСТАТ |
1 |
|
8 |
02154090 |
БУХТА КАБЕЛЯ |
1 |
|
9 |
07359980 |
БУХТА КАБЕЛЯ |
1 |
|
10 |
01365030 |
ЗАЩИТА КРОМОК |
1 |
|