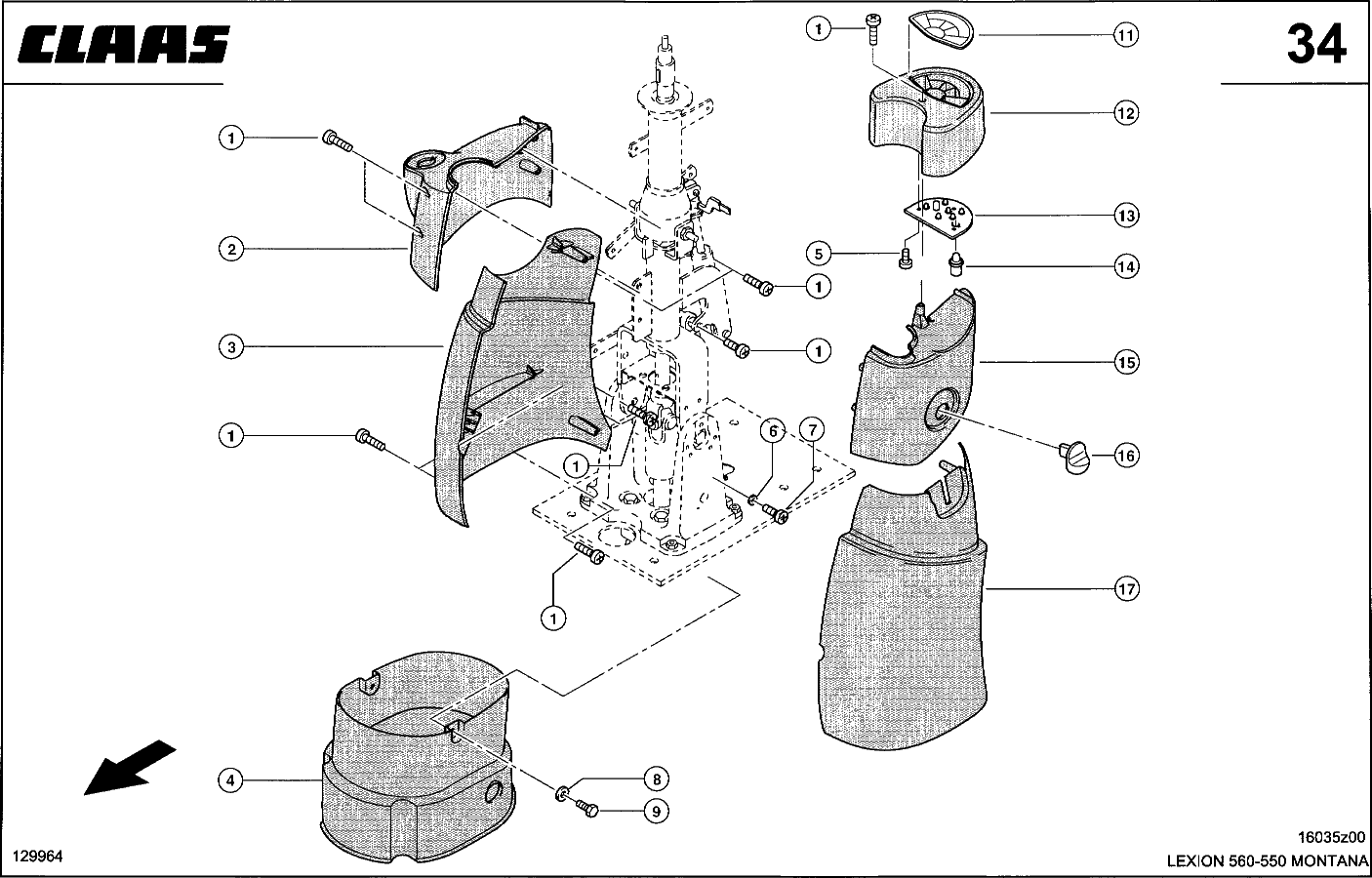
Искать по номеру запчасти
Позиция |
Код |
Имя |
Количество |
|
1 |
02164460 |
ВИНТ |
13 |
|
2 |
05464082 |
ЧАСТЬ ВЕРХНЯЯ |
1 |
|
3 |
05464061 |
ЧАСТЬ СРЕДНЯЯ |
1 |
|
4 |
05464040 |
ЦОКОЛЬ |
1 |
|
5 |
02152942 |
ВИНТ Д/ЛИСТ.МЕТ. |
3 |
|
6 |
02369791 |
ШАЙБА |
1 |
|
7 |
02160751 |
ВИНТ |
1 |
|
8 |
02393860 |
ШАЙБА КОНТАКТНАЯ |
2 |
|
9 |
02374650 |
БОЛТ 6-ГР. |
2 |
|
11 |
00131362 |
ПЛЕНКА С СИМВОЛ. |
1 |
|
12 |
05464091 |
ДИСПЛЕЙ |
1 |
|
13 |
00145122 |
ПЛАСТИНА КОНТР. |
1 |
|
0 |
02135780 |
PIN STRIP |
1 |
|
0 |
02160920 |
BULB HALOGENE |
1 |
|
14 |
02113060 |
ЛАМПОЧКА В СБ. |
7 |
|
15 |
05464072 |
ЧАСТЬ ВЕРХНЯЯ |
1 |
|
16 |
07347780 |
КНОПКА УСТАНОВ. |
1 |
|
17 |
05464050 |
ЧАСТЬ СРЕДНЯЯ |
1 |
|